 
Systeme aide a la navigation - TU1JP (HFX) - TU3JP(KFV)



Systeme aide a la navigation - DV4TD (8HX)



Systeme aide a la navigation - DV4TED4 (8HY)



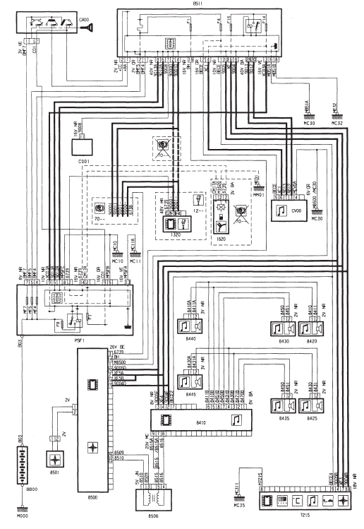
 Autoradio - avec compact disque
Autoradio - avec compact disque Prise diagnostic
Prise diagnosticBien s'installer
   Sièges avant
	 Réglage longitudinal.
	 Réglage en hauteur.
	 Réglage de l'inclinaison du dossier.
Réglages complémentaires
	 Réglage en hauteur de l'appui-tête.
Réglage ...
   
Montre numerique
   
Montre numerique - afficheur monochrome petit ecran
Montre numerique - afficheur monochrome grand ecran
 ...
   
Periodicite de revision
   Utilisation normale
	 Lorsque l'utilisation du vehicule ne correspond pas aux criteres
	caracterisant l'entretien "severise", les frequences d'entretien
	sont les suivantes :
	vehicule essence : 30 000 km ou 2 ans,
	 vehicule diesel : 20 000 km ou 2 ans.
Utilisation severe
 ...