Injection allumage - TU1JP (HFX) Magnetti Marelli MM48P



Injection allumage - TU1JP (HFX) Magnetti Marelli MM48P - avec refrigeration



Injection allumage - TU1JP/IFL5 (HFX) Magnetti Marelli MM48P



Injection allumage - TU1JP/IFL5 (HFX) Magnetti Marelli MM48P - avec refrigeration



Injection allumage - TU3JP (KFV) Sagem S2000 PM1



Injection allumage - TU3JP (KFV) Sagem S2000 PM1 - avec refrigeration



Injection allumage - TU3JP (KFV) Sagem S2000 PM1 - Boite de vitesses automatique AL4



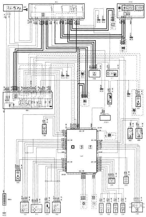
Injection allumage - TU3JP/IFL5 (KFV) Sagem S2000 PM1



Injection allumage - TU3JP/IFL5 (KFV) Sagem S2000 PM1 - avec refrigeration



Injection allumage - TU3JP/IFL5 (KFV) Sagem S2000 PM1 - Boite de vitesses automatique AL4



Injection allumage - TU5JP4 (NFU) Bosch ME7.4.4



Injection allumage - TU5JP4 (NFU) Bosch ME7.4.4 - avec refrigeration



Injection allumage - TU5JP4 (NFU) Bosch ME7.4.4 - avec controle de stabilite



Injection allumage - TU5JP4 (NFU) Bosch ME7.4.4 - avec refrigeration - avec controle de stabilite



Injection allumage - DV4TD (8HX) Siemens SID 802



Injection allumage - DV4TED4 (8HY) Delphi C6 - avec refrigeration



Injection allumage - DV4TED4 (8HY) Delphi C6 - avec refrigeration - avec controle de stabilite



Prechauffage allumage
Refroidissement moteurNeutralisation
A tout moment, appuyez sur la commande "ECO OFF" pour neutraliser le système.
Ceci est signalé par l'allumage du voyant de la commande, accompagné d'un message
sur l'écran.
Si la neutralisation a été effectuée en mode STOP, le moteur red&eacut ...
Affichage dans le combiné
Le mode de conduite sélectionné et/ou le rapport de vitesse engagé apparaissent
dans l'afficheur du combiné.
P. Parking (Stationnement).
R. Reverse (Marche arrière).
N. Neutral (Point mort).
D. Drive (Conduite automatique).
S. Programme sport .
* Progra ...
Boite de vitesses
Outillage necessaire :
[2] traverse de soutien moteur (ref.
MOT 300 BS0),
[4] arretoir de volant moteur (ref. 9044-T),
[5] extracteur de rotule (ref. 0338 E),
[6] pige pour accostage (ref. 0338-A),
[7] equerre de maintien de convertisseur
(ref. 0338 S),
[8] bouchon de protection :
[8 ...