 
Autoradio - avec compact disque TU1JP (HFX) - TU3JP (KFV)



Autoradio - avec compact disque DV4TD (8HX)



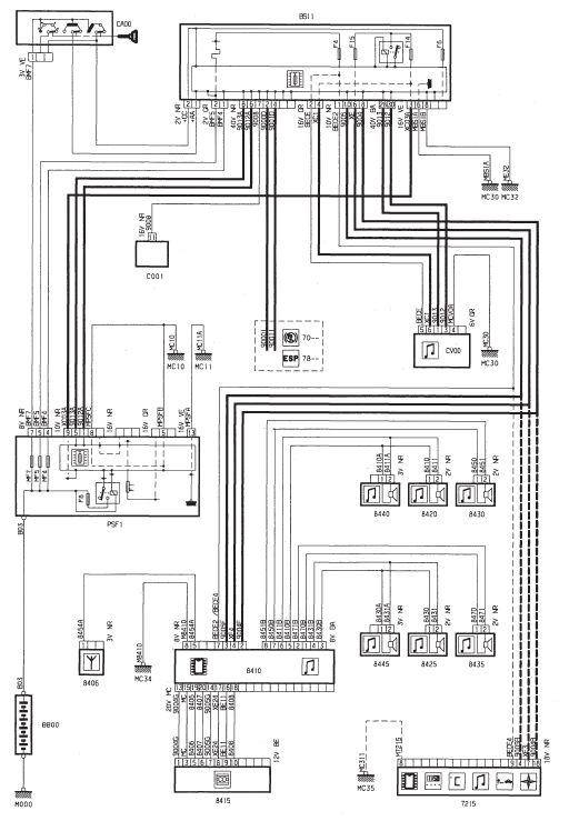
Autoradio - avec compact disque TU5JP4 (NFU) - DV4TED4 (8HY)



 Systeme aide a la navigation
Systeme aide a la navigationCaracteristiques]
   Generalites
	Transmission homocinetique (avec palier intermediaire sur la
	transmission droite avec le moteur 1,4 HDI 16V).
Repere sur transmissions
Couples de serrage (en daN.m)
	Ecrou de transmission ..............................................24,5 
	+- 0,5
	Palier de transmissi ...
   
Methodes de reparation
   Operations preliminaires
	 Les conditions suivantes doivent etre
	remplies avant que l'on procede a la
	mesure de la geometrie du train AV :
	 la bande de roulement des pneus doit
	etre uniforme et sans defaut,
	 les pressions de gonflage des pneus
	de l'essieu do ...
   
Commandes
   
A partir de la façade de votre Autoradio, vous pouvez :  
	  appuyez sur la touche 
"MENU" pour accéder au menu général ,
	  appuyez sur les touches "
	 ...