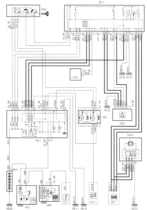
Demarrage - generation de courant - boite de vitesses manuelle pilotee



Demarrage - generation de courant - boite de vitesses manuelle pilotee - avec refrigeration



Injection allumageGraissage entretien
JANTES ET PNEUS
Pression normale de fonctionnement..........................2,1 bar
Pression de la roue de secours
..................................2,3 bar
Nota : Au cas ou la verification de la pression ne peut etre
effectuee sur des pneumatiques froids, il faut majorer les
...
Citroen C3
L'etude presentee dans les pages qui suivent a ete realisee grace au concours
des Services
Techniques et des Relations Presse des Automobiles Citroen que nous remercions
ici de leur
aimable collaboration.
Placee entre la Saxo et la Xsara, la C3 a pour mission de conquerir le
marche des voi ...
Position verticale de l'essuievitre avant
Cette position permet aux balais d'être relevés pour le parking hivernal, d'être
nettoyés ou changés sans abîmer le capot.
Dans la minute qui suit la coupure du contact, toute action sur la commande d'essuie-vitre
positionne les balais à la vert ...