Injection allumage TU5JP4 (NFU) Bosch ME7.4.4 - boite de vitesses manuelle pilotee



Injection allumage TU5JP4 (NFU) Bosch ME7.4.4 - boite de vitesses manuelle pilotee - avec refrigeration



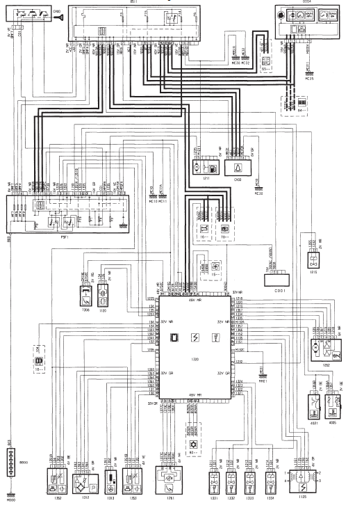
Injection allumage TU5JP4 (NFU) Bosch ME7.4.4 - boite de vitesses manuelle pilotee - avec refrigeration - avec controle de stabilite



Demarrage - generation de courant
Boite de vitesses manuelle pilotee TU5JP4 (NFU)Boite de vitesses
Outillage necessaire :
[2] traverse de soutien moteur (ref.
MOT 300 BS0),
[4] arretoir de volant moteur (ref. 9044-T),
[5] extracteur de rotule (ref. 0338 E),
[6] pige pour accostage (ref. 0338-A),
[7] equerre de maintien de convertisseur
(ref. 0338 S),
[8] bouchon de protection :
[8 ...
Injection
Moteur DV4TD
Marque......................................................................SIEMENS
Type
............................................................................SID
802
Moteur DV4TED4
Marque
.................................................... ...
Réglages complémentaires
Réglage en hauteur de l'appui-tête
Pour le monter, tirez-le simultanément vers l'avant et vers le haut.
Pour le retirer, appuyez sur l'ergot A et tirez-le vers le haut.
Pour le remettre en place, engagez les tiges de l'appui-tête dans les orifice ...