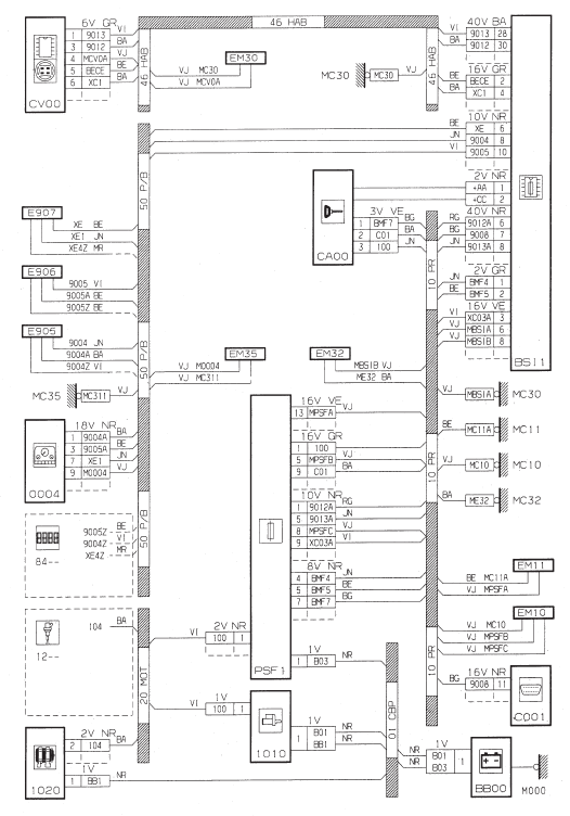
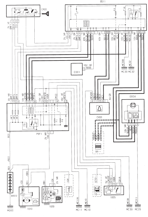
Demarrage - generation de courant - essence



Demarrage - generation de courant - essence - boite de vitesses automatique al4



Demarrage - generation de courant - Diesel



Groupe motopropulseur
Prechauffage allumageIndicateurs de direction
Dispositif de sélection des feux indicateurs de direction gauche ou droit pour
signaler le changement de direction du véhicule.
Gauche : baissez la commande d'éclairage en passant le point de résistance.
Droit : relevez la commande d'éclai ...
Boîte manuelle pilotée
Boîte de vitesses manuelle pilotée à cinq ou six vitesses offrant, au choix,
le confort de l'automatisme ou le plaisir du passage manuel des vitesses.
Deux modes de conduite vous sont donc proposés :
le mode automatisé pour la
gestion automatique des vites ...
Caracteristiques pratiques
Capacites (en l)
Reservoir a carburant
..........................................................45
Huile moteur, apres vidange et remplacement du filtre a huile :
moteurs essence
..............................................................3,2
moteurs Diesel
...