Regulation de vitesse - TU3JP (KFV)



Regulation de vitesse - TU3JP (KFV) - boite de vitesses automatique AL4



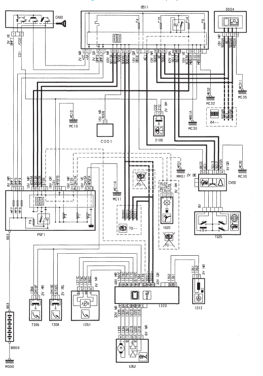
Regulation de vitesse - TU5JP4 (NFU)



Regulation de vitesse - TU5JP4 (NFU) - avec controle de stabilite



Regulation de vitesse - DV4TD (8HX)



Regulation de vitesse - DV4TED4 (8HY)



Regulation de vitesse - DV4TED4 (8HY) - avec controle de stabilite



Montre numerique
Aide au stationnementAeration - Chauffage
Aeration
Entree d'air
Veillez a la proprete de la grille exterieure
d'entree d'air et du collecteur situes a
la base du pare-brise (feuilles mortes,
neige).
En cas de lavage de type haute pression
du vehicule, evitez toute projection
au niveau de l'entree ...
Couples de serrage (en daN.m)
Electrovanne de modulation
de debit d'huile (EPDE) ..............................................1 +-
0,2
Echangeur thermique
....................................................5 +- 1
Capteur de vitesse d'entree........................................1
+- 0,2 ...
Refrigeration
Refrigeration - TU1JP (HFX)
Refrigeration - TU3JP (KFV)
Refrigeration - TU3JP (KFV) - boite de vitesses automatique AL4
Refrigeration - TU5JP4 (NFU)
Refrigeration - TU5JP4 (NFU) - avec controle de stabilite
Refrigeration - DV4TD (8HX)
...