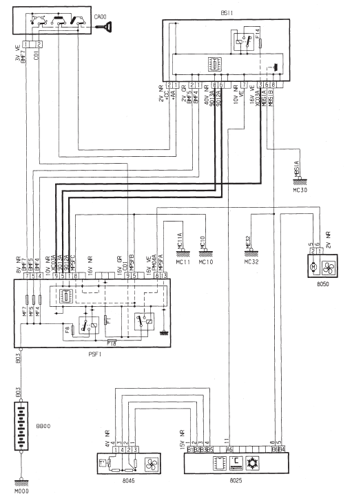
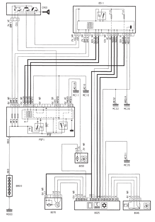
Ventilation chauffage - essence



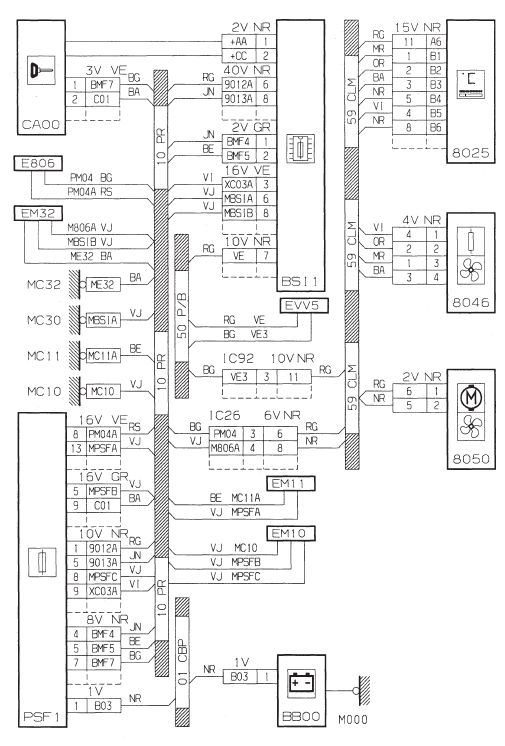
Ventilation chauffage - Diesel



RefrigerationSystèmes de contrôle de la trajectoire
Antipatinage de roue (ASR) et contrôle dynamique de stabilité (ESP)
L'antipatinage de roue optimise la motricité, afin d'éviter le patinage des roues,
en agissant sur les freins des roues motrices et sur le moteur.
Le contrôle dynamique de stabilité agit s ...
Caracteristiques
Generalites
Train avant de type pseudo McPherson avec ressorts helicoidaux
et amortisseurs hydrauliques.
Barre antidevers
Diametre de la barre antidevers
(mm)..................................19
Couples de serrage (en daN.m)
Ecrou de fixation tige amortisseur sur caisse. ...
Votre notice d'emploi sur internet
Citroën vous permet de consulter gratuitement et simplement votre documentation
de bord en ligne, d'accéder à l'historique et aux dernières informations.
Nous attirons votre attention...
Votre véhicule reprend une partie des équipements décrits dans ...