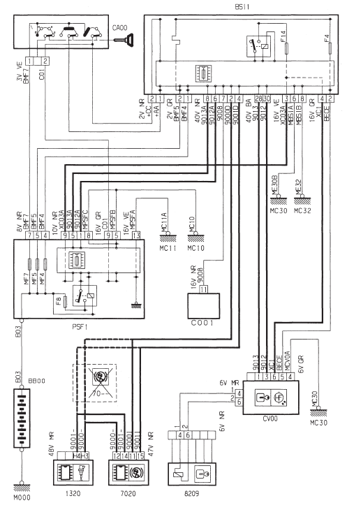
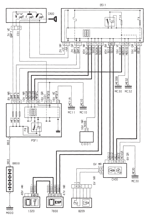
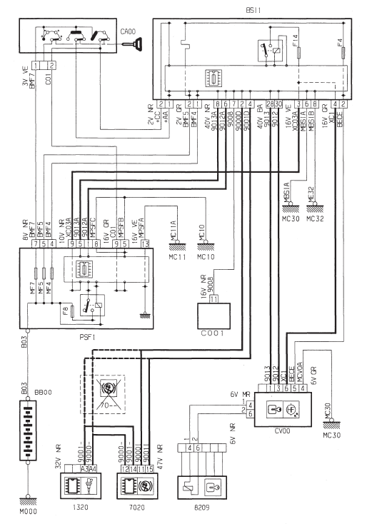
Transpondeur - essence



Transpondeur - TU5JP4 (NFU) - avec controle de stabilite



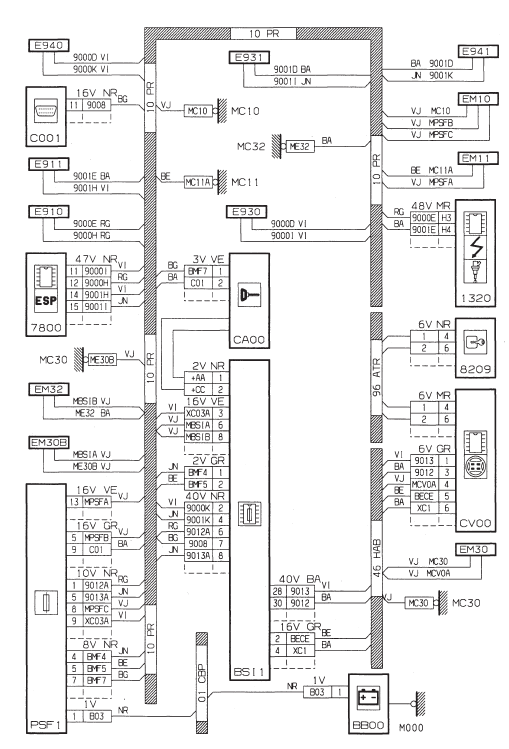
Transpondeur - Diesel



Transpondeur - DV4TED4 (8HY) - avec controle de stabilite



Affichage dans le combiné
Le mode de conduite sélectionné et/ou le rapport de vitesse engagé apparaissent
dans l'afficheur du combiné.
P. Parking (Stationnement).
R. Reverse (Marche arrière).
N. Neutral (Point mort).
D. Drive (Conduite automatique).
S. Programme sport .
* Progra ...
Liste des faisceaux
00DIV1 faisceaux divers 1.
00DIV2 faisceaux divers 2.
01CBP cable positif batterie.
02CBN cable negatif batterie.
03CB/AV cable liaison batteries
avant.
04CB/CE cable liaison batteries a
coffret electronique.
05CE/MOT cable liaison coffret
electronique a moteur.
06CB/AV/AR ca ...
Caracteristiques
Generalites
Direction a assistance electrique. Le couple d'assistance est
donc fourni a l'aide d'un moteur electrique.
Ce moteur d'assistance est de 60 A sur les moteurs 1,1 / 1,4
BVM et 1,4 HDI et de 65 A sur les moteurs 1,4 BVA et 1,6 ; il
fonctionne si la tension ...