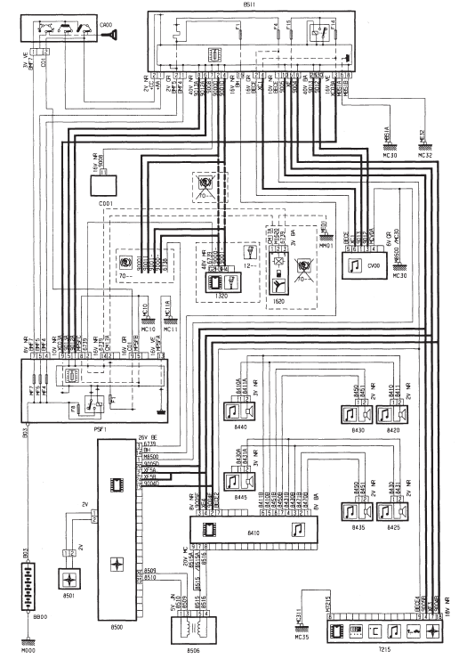
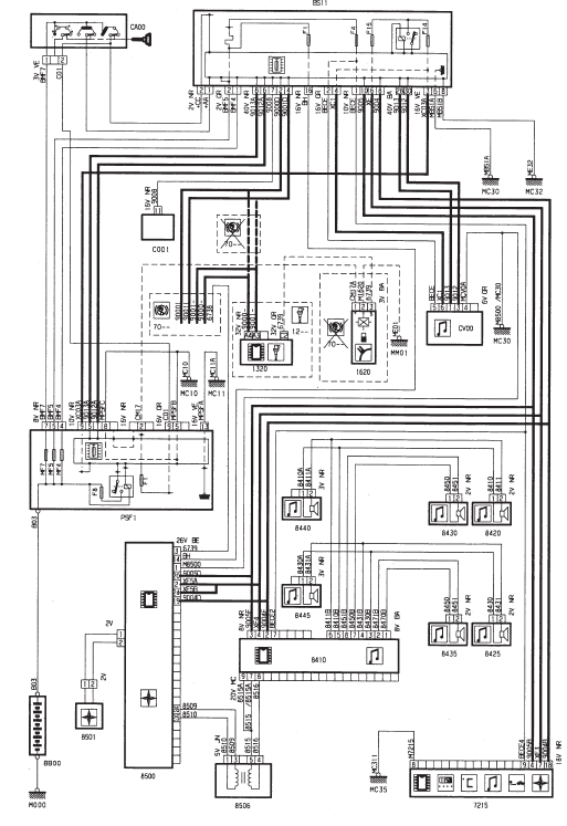
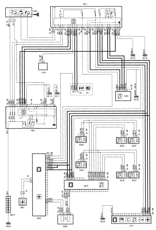
Systeme aide a la navigation - TU1JP (HFX) - TU3JP(KFV)



Systeme aide a la navigation - DV4TD (8HX)



Systeme aide a la navigation - DV4TED4 (8HY)



Autoradio - avec compact disque
Prise diagnosticFonctionnement
Passage en mode STOP du moteur
Le témoin "ECO" s'allume au combiné et le moteur se met en veille :
avec une boîte de vitesses manuelle , à une vitesse inférieure à 20 km/h, lorsque
vous passez le levier de vitesses au point mort, et que vous rel& ...
Systeme aide a la navigation
Systeme aide a la navigation - TU1JP (HFX) - TU3JP (KFV)
Systeme aide a la navigation - DV4TD (8HX)
Systeme aide a la navigation - TU5JP4 (NFU) - DV4TED4 (8HY)
...
Composition de la carrosserie
Nomenclature
Bandeau lateral AV
Optique supplementaire
Spoiler AV
Bouclier AV
Poutre centrale AV
Facade AV
Traverse Superieure AV
Sigle
Calandre
Capot moteur
Collecteur d'air inferieur
Collecteur d'air superieur
Pare-brise
Traverse AV de pavillon
Pav ...