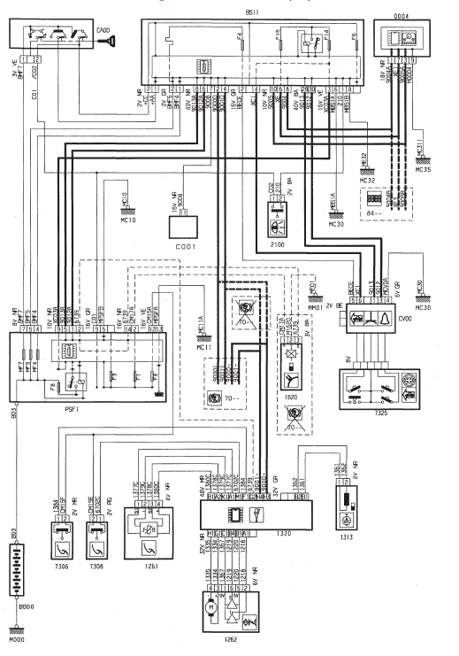
Regulation de vitesse - TU3JP (KFV)



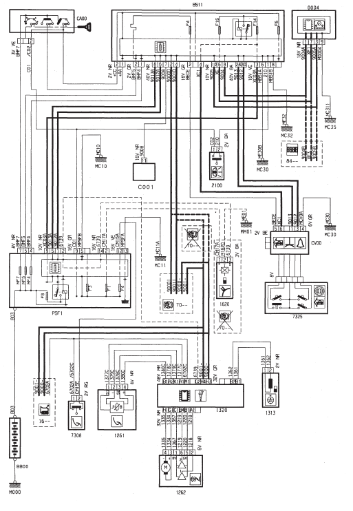
Regulation de vitesse - TU3JP (KFV) - boite de vitesses automatique AL4



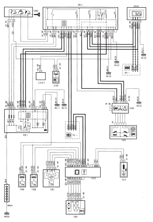
Regulation de vitesse - TU5JP4 (NFU)



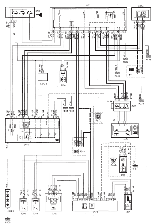
Regulation de vitesse - TU5JP4 (NFU) - avec controle de stabilite



Regulation de vitesse - DV4TD (8HX)



Regulation de vitesse - DV4TED4 (8HY)



Regulation de vitesse - DV4TED4 (8HY) - avec controle de stabilite



Montre numerique
Aide au stationnementBoite de vitesses
Outillage necessaire :
[1] traverse de soutien moteur (ref.
MOT 300 1350),
[2] tampon de montage joint de transmission
gauche (ref. 7114TW),
[3] tampon de montage joint de transmission
droit (ref. 7114TX).
Boite MA avec moteur TU
Depose
Deposer les transmissions (voir ch ...
Affichages au combiné
Lorsque vous déplacez le levier dans la grille pour sélectionner une position,
le témoin correspondant s'affiche au combiné.
P. Parking (Stationnement).
R. Reverse (Marche arrière).
N. Neutral (Point mort).
D. Drive (Conduite automatique).
S. Programme s ...
Kit de dépannage provisoire de pneumatique
Système complet, composé d'un compresseur et d'une cartouche de produit de colmatage,
qui vous permet une réparation temporaire du pneumatique, afin de vous rendre dans
le garage le plus proche.
Il est prévu pour réparer la plupart des crevaisons susceptibles ...