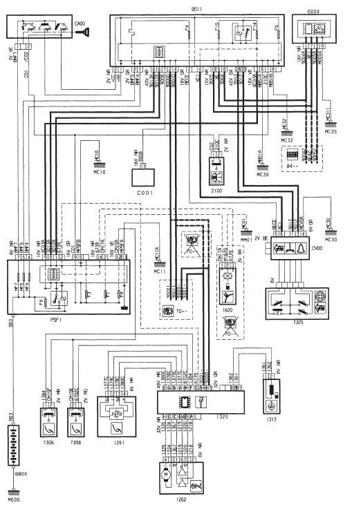
Regulation de vitesse - TU3JP (KFV)



Regulation de vitesse - TU3JP (KFV) - Boite de vitesses automatique AL4



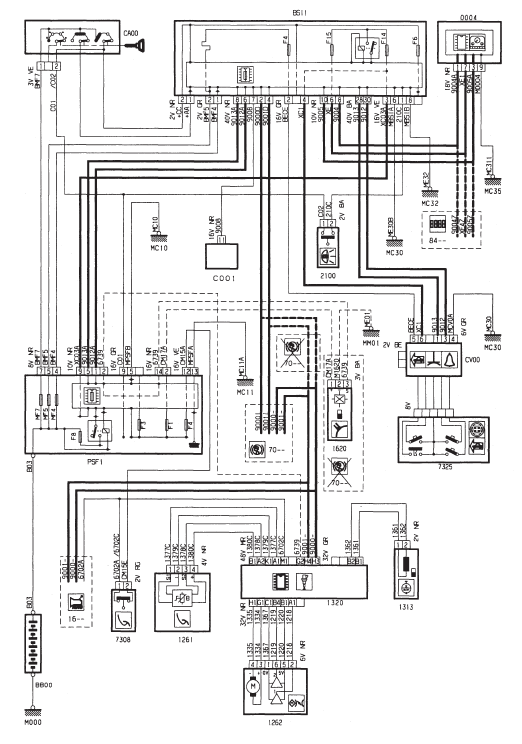
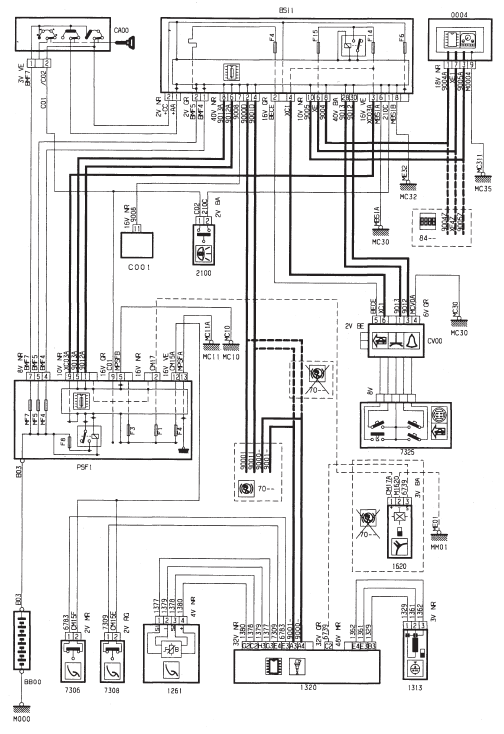
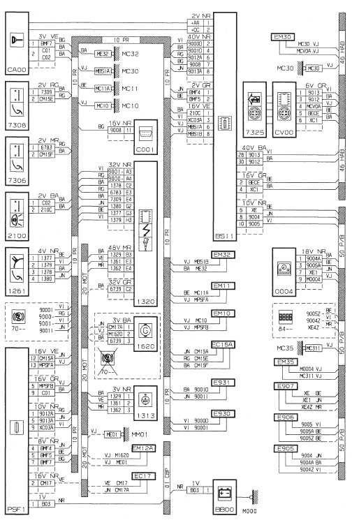
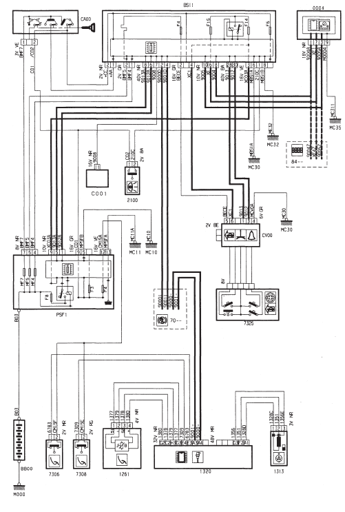
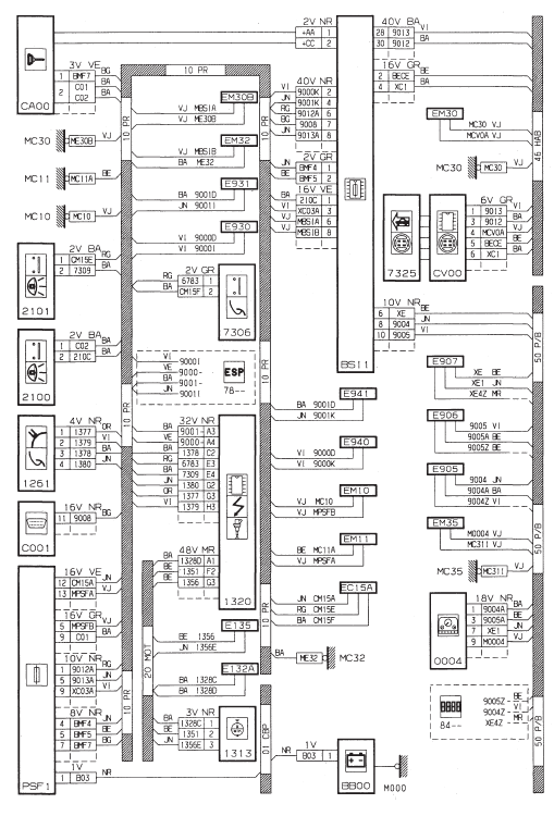
Regulation de vitesse - TU5JP4 (NFU)



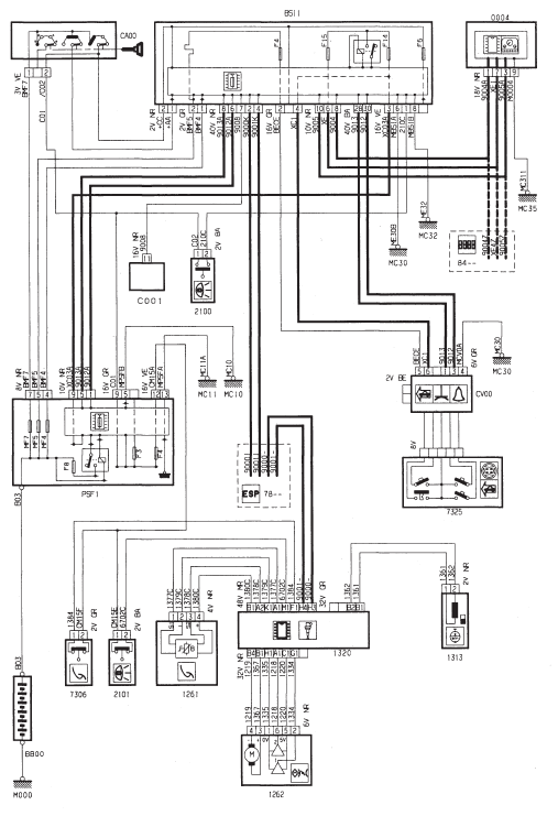
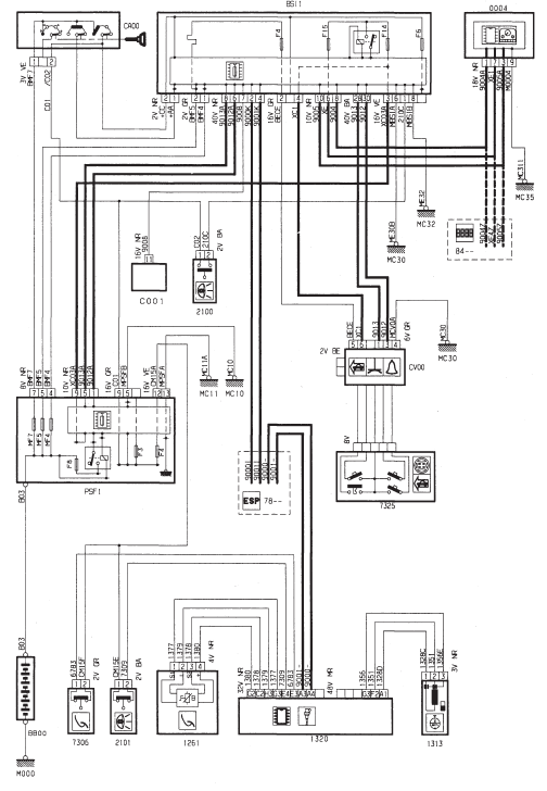
Regulation de vitesse - TU5JP4 (NFU) - avec controle de stabilite



Regulation de vitesse - DV4TD (8HX)



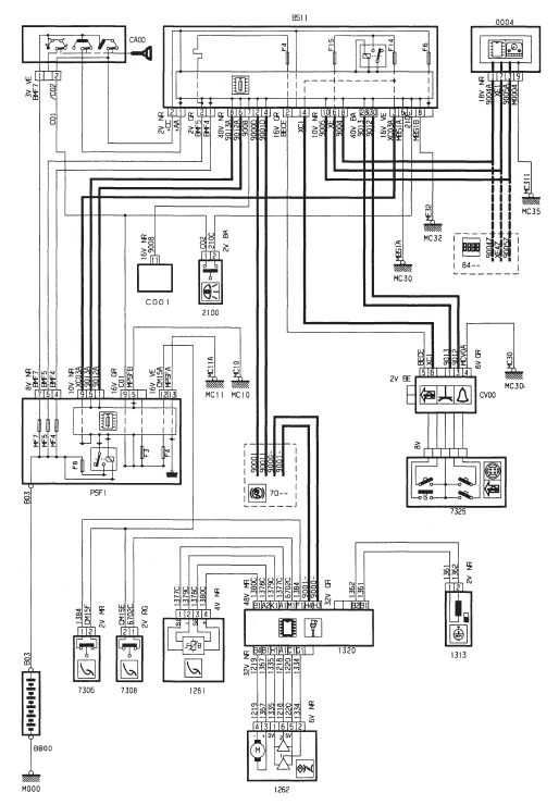
Regulation de vitesse - DV4TED4 (8HY)



Regulation de vitesse - DV4TED4 (8HY) - avec controle de stabilite



Montre numerique
Aide au stationnementTableau récapitulatif pour l'emplacement des sièges enfants ISOFIX
Conformément à la réglementation européenne, ce tableau vous indique les possibilités
d'installation des sièges enfants ISOFIX aux places équipées d'ancrages ISOFIX dans
le véhicule.
Pour les sièges enfants ISOFIX universels ...
Couples de serrage (en daN.m)
Supports moteu
TU1JP et TU3JP
TU5JP4
....................................................................................4,5
+- 0,4
....................................................................................6,1
+- 0,6
............ ...
Réservoir de carburant
Capacité du réservoir : environ 50 litres (Essence) ou 46 litres (Diesel)
; (Selon version : environ 30 litres (Essence ou Diesel)).
Niveau mini de carburant
Lorsque le niveau mini du réservoir est atteint, ce témoin s'allume au combiné.
Au premier allumage, ...