Refrigeration regulee - TU5JP4 (NFU) - avec controle de stabilite



Refrigeration regulee - DV4TED4 (8HY) - avec controle de stabilite



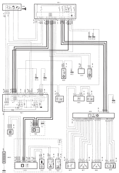
Refrigeration
Rechauffage air habitacleCommande
d'embrayage
Cylindre recepteur d'embrayage
Depose
Debrancher la batterie.
Placer un recipient pour recuperer le
liquide de frein sous le tuyau hydraulique.
Deposer (Fig.Embr.4) :
l'agrafe (1),
les 2 vis (2).
Imperatif : Degager le cylindre recepteur
ave ...
Tableau récapitulatif pour l'emplacement des sièges enfants ISOFIX
Conformément à la réglementation européenne, ce tableau vous indique les possibilités
d'installation des sièges enfants ISOFIX aux places équipées d'ancrages ISOFIX dans
le véhicule.
Pour les sièges enfants ISOFIX universels ...
Réglages complémentaires
Réglage en hauteur de l'appui-tête
Pour le monter, tirez-le simultanément vers l'avant et vers le haut.
Pour le retirer, appuyez sur l'ergot A et tirez-le vers le haut.
Pour le remettre en place, engagez les tiges de l'appui-tête dans les orifice ...