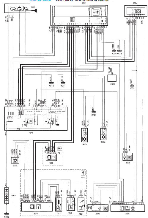
Refrigeration - TU5JP4 (NFU) - avec controle de stabilite



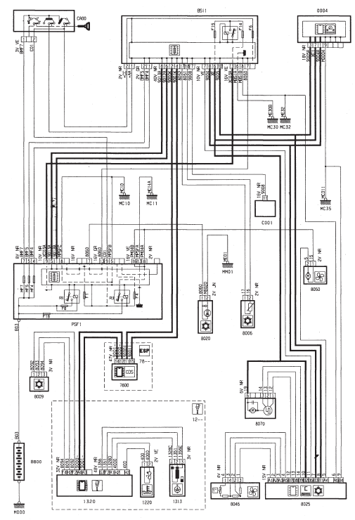
Refrigeration - DV4TED4 (8HY) - avec controle de stabilite



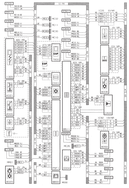
Refrigeration reguleeInjection allumage
Injection allumage - TU1JP (HFX) Magnetti Marelli MM48P
Injection allumage - TU1JP (HFX) Magnetti Marelli MM48P - avec
refrigeration
Injection allumage - TU1JP/IFL5 (HFX) Magnetti Marelli MM48P
Injection allumage - TU1JP/IFL5 (HFX) Magnetti Marelli MM48P - av ...
Indicateur de maintenance
Il vous informe de l'echeance de la prochaine revision a effectuer
conformement au plan d'entretien du carnet d'entretien.
Fonctionnement
Des la mise du contact, apres l'affichage du niveau d'huile, la
cle symbolisant les operations de maintenance s'allume : l'afficheur
du totalisate ...
Boîte manuelle pilotée
Boîte de vitesses manuelle pilotée à cinq ou six vitesses offrant, au choix,
le confort de l'automatisme ou le plaisir du passage manuel des vitesses.
Deux modes de conduite vous sont donc proposés :
le mode automatisé pour la
gestion automatique des vites ...