Refrigeration - TU1JP (HFX)



Refrigeration - TU3JP (KFV)



Refrigeration - TU3JP (KFV) - boite de vitesses automatique AL4



Refrigeration - TU5JP4 (NFU)



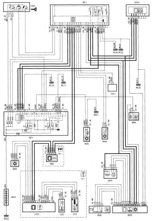
Refrigeration - TU5JP4 (NFU) - avec controle de stabilite



Refrigeration - DV4TD (8HX)



Refrigeration - DV4TED4 (8HY)



Refrigeration - DV4TED4 (8HY) - avec controle de stabilite



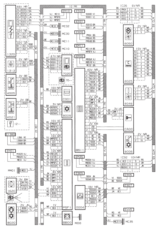
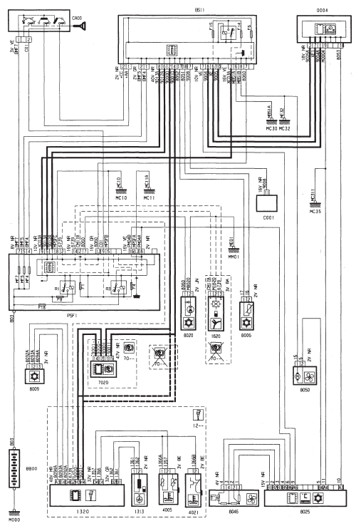
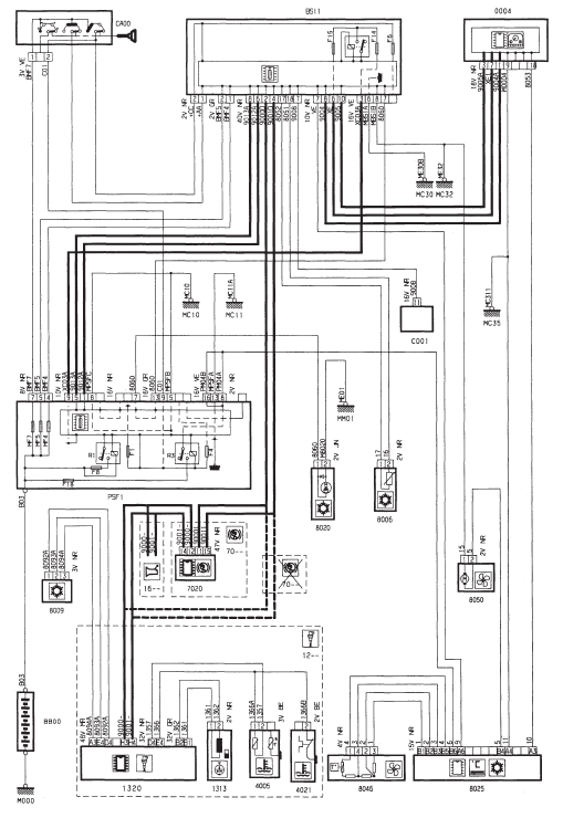
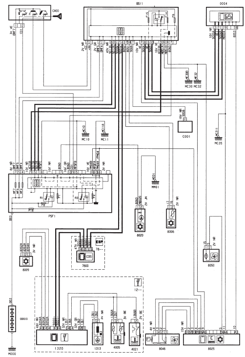
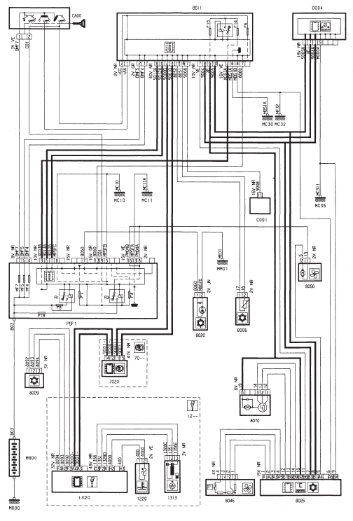
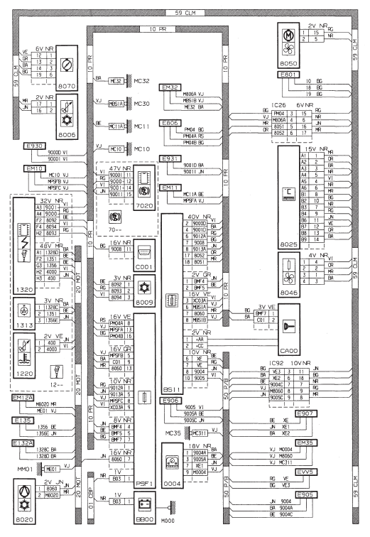
Ventilation chauffage
Refrigeration reguleeEmbrayage
Outillage necessaire :
mandrin de centrage embrayage (ref.
9513-T).
Depose
Deposer la boite de vitesses.
Deposer (Fig.Embr.1) :
les vis (1),
le mecanisme d'embrayage (2),
le disque d'embrayage (3).
Controler visuelleme ...
Elements constitutifs du moteur
Bloc-cylindres
Moteur TU1 et TU3
En aluminium
Hauteur du carter-cylindres (en mm) :
TU1JP
..............................................................187,48 +- 0,05
TU3JP
..............................................................206,98 +- 0,05
...
Identification interieure
frappe chassis (marquage a froid grave sur
la carrosserie).
plaque constructeur vehicule (sur le pied
milieu cote gauche).
numero APV/PR et code couleur peinture
PR (etiquette situee sur le pied avant cote
porte conducteur).
pression de gonflage et reference de ...