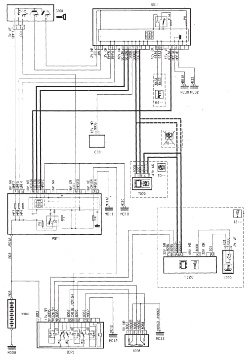
Rechauffage air habitacle - DV4TD (8HX)



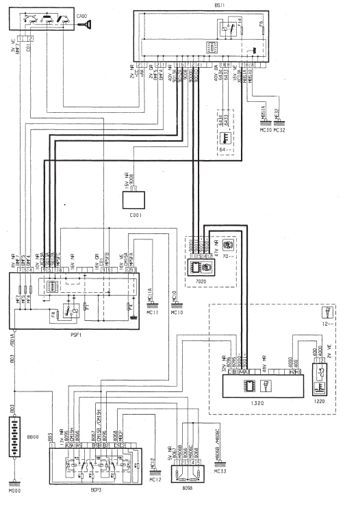
Rechauffage air habitacle - DV4TED4 (8HY)



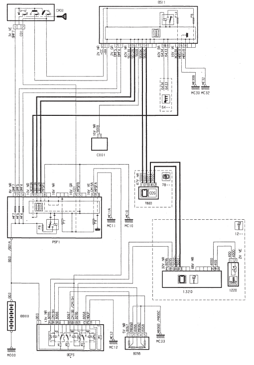
Rechauffage air habitacle - DV4TED4 (8HY) - avec controle de stabilite



Refrigeration regulee
Lunette arriere chauffanteArrêt du véhicule
Avant de couper le moteur, vous pouvez :
passer en position N pour être au
point mort,
ou
laisser le rapport engagé ; dans ce cas, le véhicule ne pourra pas être déplacé.
Dans tous les cas de stationnement, vous devez impérativeme ...
Biellettes de direction
Depose
Imperatif : L'outil [2] (dispositif antirotation
de cremaillere, ref. 0721B) doit
etre mis en place sur la denture de la
cremaillere, a gauche en direction a
gauche et a droite en direction a droite.
Nota : L'outil [2] evite d'endommager le
mecanisme de direction lors de l'operation
...
Calages de distribution
Moteurs TU1JP et TU3JP
Tension de la courroie :
A l'aide de l'empreinte (E),
tourner le galet dans le sens anti-horaire
jusqu'a amener l'index (4) en position (D).
Serrer l'ecrou du galet a 1 daN.m.
Effectuer 4 tours de vilebrequin dans le sens
...