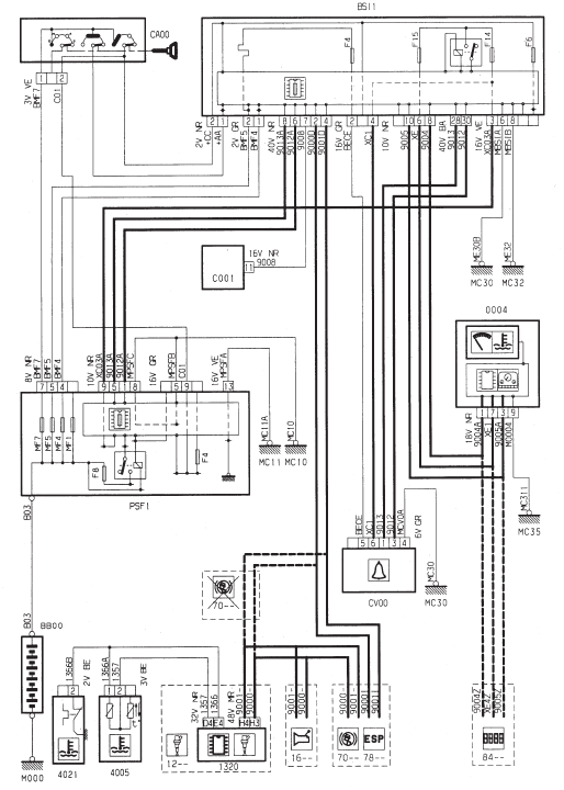
Niveau, temperature eau moteur - TU (HFX - KFV - NFU)



Niveau, temperature eau moteur - TU (KFV) - Boite de vitesses automatique AL4



Niveau, temperature eau moteur - DV4TD (8HX)



Niveau, temperature eau moteur - DV4TED4 (8HY)



Indicateur temperature + niveau huile moteurCaracteristiques
Generalites
Train avant de type pseudo McPherson avec ressorts helicoidaux
et amortisseurs hydrauliques.
Barre antidevers
Diametre de la barre antidevers
(mm)..................................19
Couples de serrage (en daN.m)
Ecrou de fixation tige amortisseur sur caisse. ...
Votre notice d'emploi sur internet
Citroën vous permet de consulter gratuitement et simplement votre documentation
de bord en ligne, d'accéder à l'historique et aux dernières informations.
Nous attirons votre attention...
Votre véhicule reprend une partie des équipements décrits dans ...
Siège enfant isofix recommandé par Citroën et homologué pour votre véhicule
Ce siège enfant peut également être utilisé aux places non équipées d'ancrages
ISOFIX. Dans ce cas, il est obligatoirement attaché au siège du véhicule par la
ceinture de sécurité trois points.
Suivez les indication ...