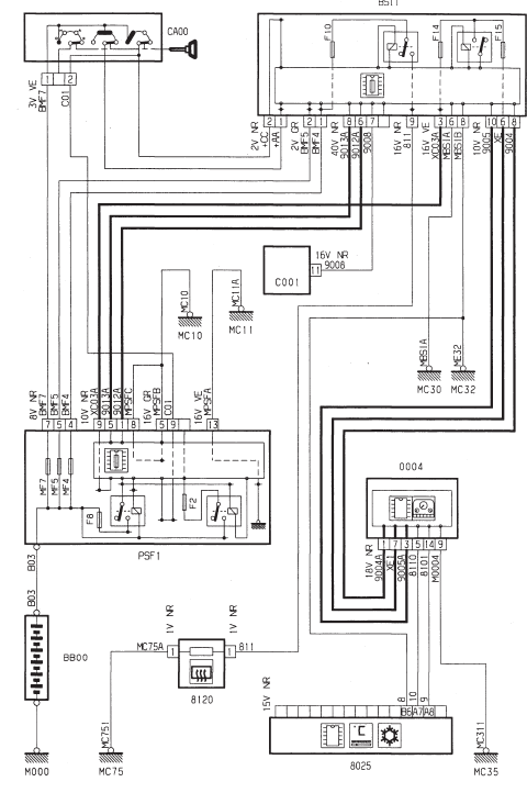
Lunette arriere chauffante - essence



Lunette arriere chauffante - Diesel



Lunette arriere chauffante - essence - avec refrigeration



Lunette arriere chauffante - retroviseurs chauffants - avec refrigeration regulee


Rechauffage air habitacleMultiplexage
Presentation
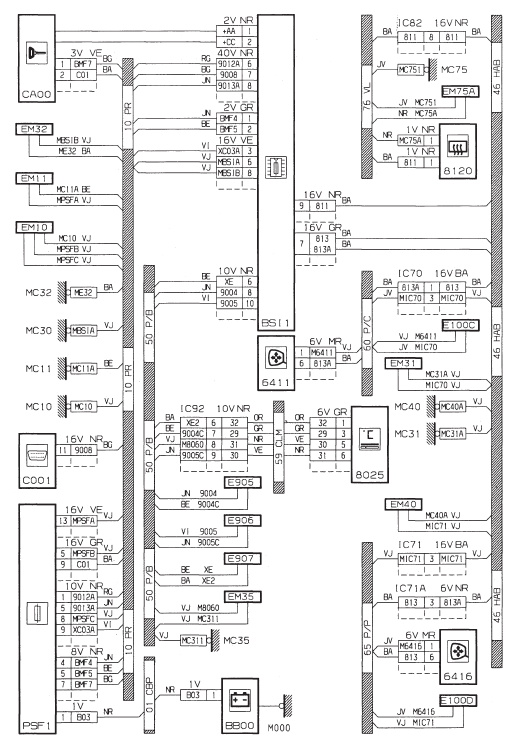
Le multiplexage consiste a faire circuler plusieurs informations
numeriques entre divers equipements electriques, sur un seul
canal de transmission materialise par 2 fils :
DATA et DATA B (barre) pour les reseaux VAN CAR et VAN
CONFORT,
CANAL HIGH et CANAL ...
Mode automatisé
Sélectionnez la position A .
AUTO et le rapport engagé apparaissent au combiné.
La boîte de vitesses fonctionne alors en mode auto-actif, sans intervention du
conducteur. Elle sélectionne en permanence le rapport de vitesse le mieux adapté
a ...
Caracteristiques
Generalites
Train avant de type pseudo McPherson avec ressorts helicoidaux
et amortisseurs hydrauliques.
Barre antidevers
Diametre de la barre antidevers
(mm)..................................19
Couples de serrage (en daN.m)
Ecrou de fixation tige amortisseur sur caisse. ...