


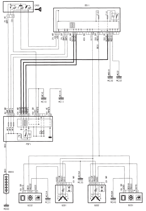
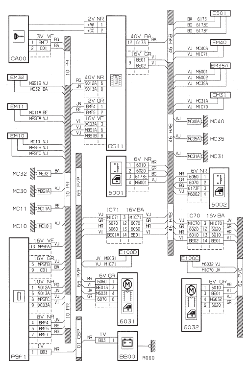
Condamnation centraliseeMultiplexage
Presentation
Le multiplexage consiste a faire circuler plusieurs informations
numeriques entre divers equipements electriques, sur un seul
canal de transmission materialise par 2 fils :
DATA et DATA B (barre) pour les reseaux VAN CAR et VAN
CONFORT,
CANAL HIGH et CANAL ...
Kit de dépannage provisoire de pneumatique
Système complet, composé d'un compresseur et d'une cartouche de produit de colmatage,
qui vous permet une réparation temporaire du pneumatique, afin de vous rendre dans
le garage le plus proche.
Il est prévu pour réparer la plupart des crevaisons susceptibles ...
Biellettes de direction
Depose
Imperatif : L'outil [2] (dispositif antirotation
de cremaillere, ref. 0721B) doit
etre mis en place sur la denture de la
cremaillere, a gauche en direction a
gauche et a droite en direction a droite.
Nota : L'outil [2] evite d'endommager le
mecanisme de direction lors de l'operation
...