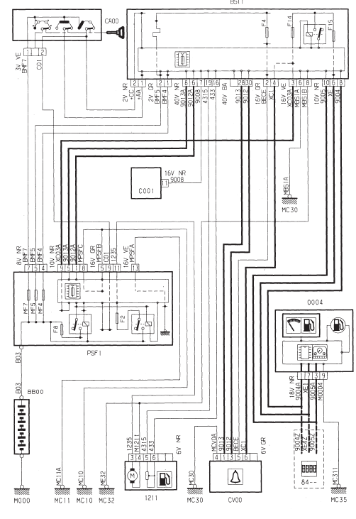
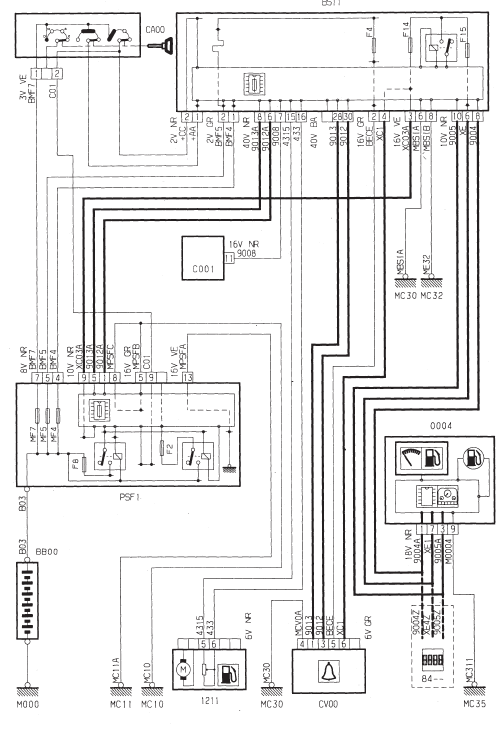
Jauge a carburant - essence



Jauge a carburant - Diesel



Indicateur temperature + niveau huile moteur
Voyant de presence eau dans gazoleFonctionnement automatique
1. Programme automatique confort
Appuyez sur la touche "AUTO" . Le symbole "AUTO" s'affiche.
Nous vous recommandons d'utiliser ce mode ; il règle automatiquement et de manière
optimisée l'ensemble des fonctions suivantes : température dans l'habitacle, débit
...
Contacteur tournant - Commandes sous volant
Depose
Debrancher la borne negative de la batterie.
Deposer (Fig.Dir.3) :
le volant de direction,
les vis (2),
l'habillage de la colonne de direction (1).
Desserrer la vis (3) (Fig.Dir.4).
A l'aide d'un tournevis, declip ...
Commande centralisée automatique
Système pour verrouiller ou déverrouiller automatiquement et complètement les
portes et le coffre en roulant.
Vous pouvez activer ou neutraliser cette fonction.
Verrouillage
Vitesse supérieure à 10 km/h, les portes et le coffre se verrouillent automatiquement. ...