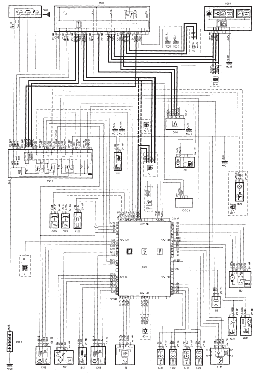
Injection allumage - TU1JP (HFX) Magnetti Marelli MM48P



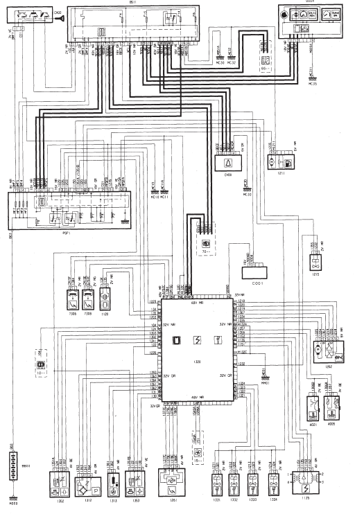
Injection allumage - TU1JP (HFX) Magnetti Marelli MM48P - avec refrigeration



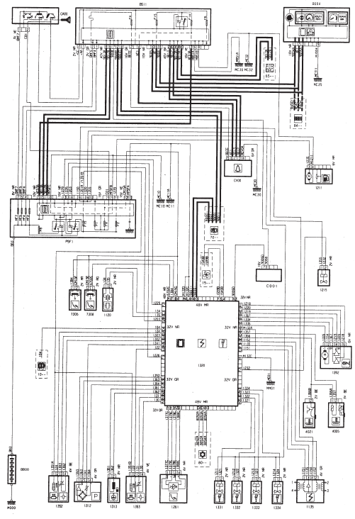
Injection allumage - TU1JP/IFL5 (HFX) Magnetti Marelli MM48P



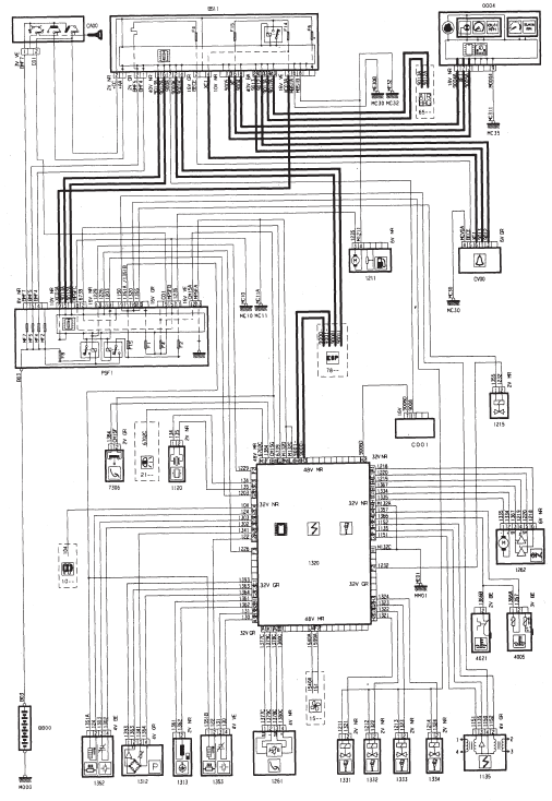
Injection allumage - TU1JP/IFL5 (HFX) Magnetti Marelli MM48P - avec refrigeration



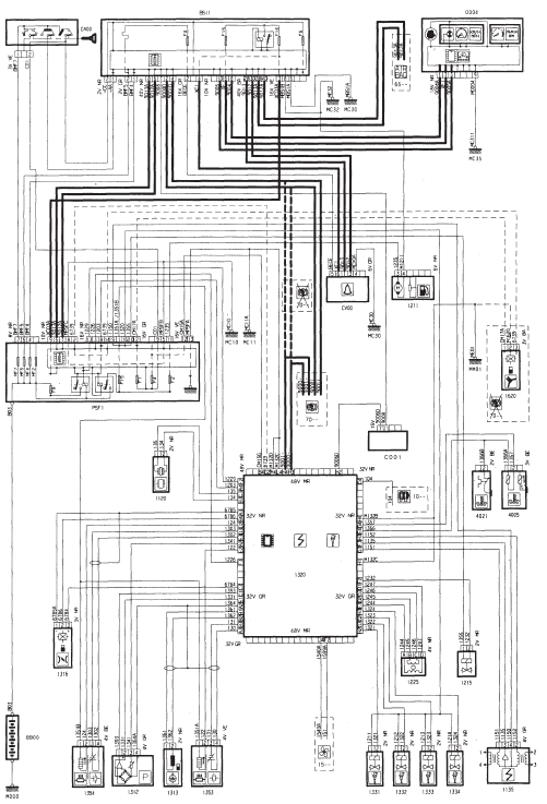
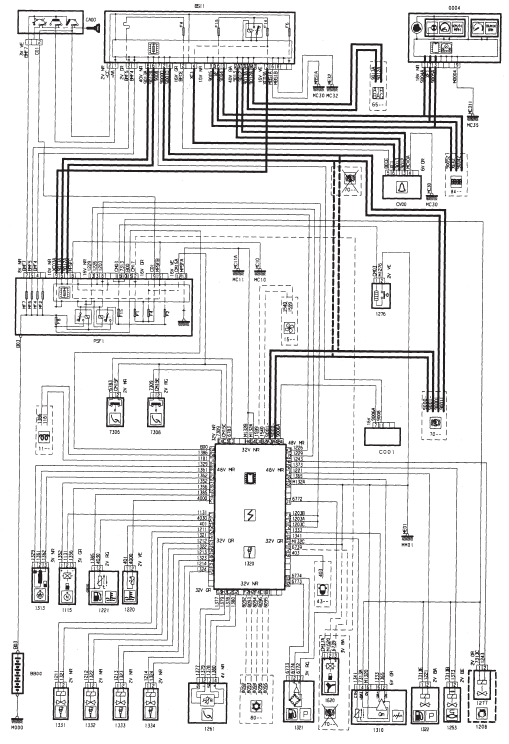
Injection allumage - TU3JP (KFV) Sagem S2000 PM1



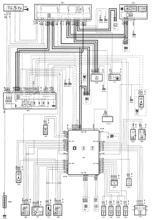
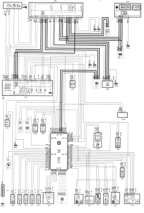
Injection allumage - TU3JP (KFV) Sagem S2000 PM1 - avec refrigeration



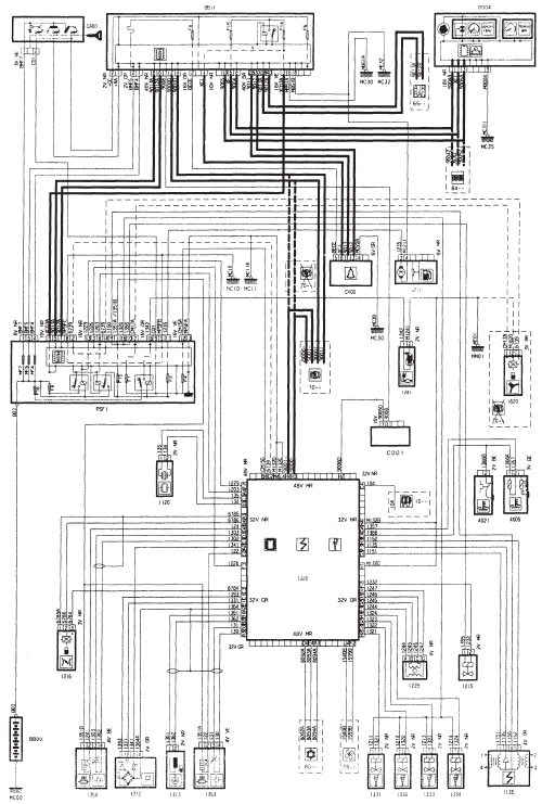
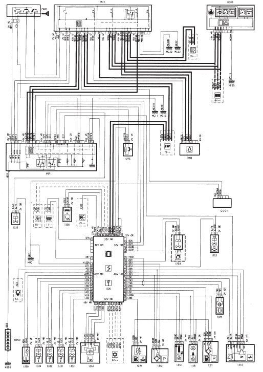
Injection allumage - TU3JP (KFV) Sagem S2000 PM1 - Boite de vitesses automatique AL4



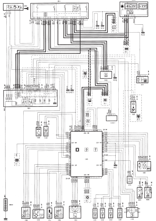
Injection allumage - TU3JP/IFL5 (KFV) Sagem S2000 PM1



Injection allumage - TU3JP/IFL5 (KFV) Sagem S2000 PM1 - avec refrigeration



Injection allumage - TU3JP/IFL5 (KFV) Sagem S2000 PM1 - Boite de vitesses automatique AL4



Injection allumage - TU5JP4 (NFU) Bosch ME7.4.4



Injection allumage - TU5JP4 (NFU) Bosch ME7.4.4 - avec refrigeration



Injection allumage - TU5JP4 (NFU) Bosch ME7.4.4 - avec controle de stabilite



Injection allumage - TU5JP4 (NFU) Bosch ME7.4.4 - avec refrigeration - avec controle de stabilite



Injection allumage - DV4TD (8HX) Siemens SID 802



Injection allumage - DV4TED4 (8HY) Delphi C6 - avec refrigeration



Injection allumage - DV4TED4 (8HY) Delphi C6 - avec refrigeration - avec controle de stabilite



Prechauffage allumage
Refroidissement moteurRhéostat d'éclairage
Système pour adapter manuellement l'intensité lumineuse du poste de conduite
en fonction de la luminosité extérieure.
Activation
Quand les feux sont allumés :
appuyez sur le bouton pour faire varier l'intensité
de l'éclairag ...
Train avant
Berceau
Depose
Lever et caler le vehicule, roues avant
pendantes.
Positionner les roues en ligne droite.
Bloquer le volant de direction dans cette
position.
Deposer (Fig.Tr.Av.9) :
la batterie,
le cache (3).
Debrancher les connecteur ...
Neutralisation
A tout moment, appuyez sur la commande "ECO OFF" pour neutraliser le système.
Ceci est signalé par l'allumage du voyant de la commande, accompagné d'un message
sur l'écran.
Si la neutralisation a été effectuée en mode STOP, le moteur red&eacut ...