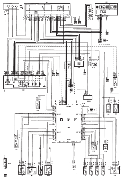
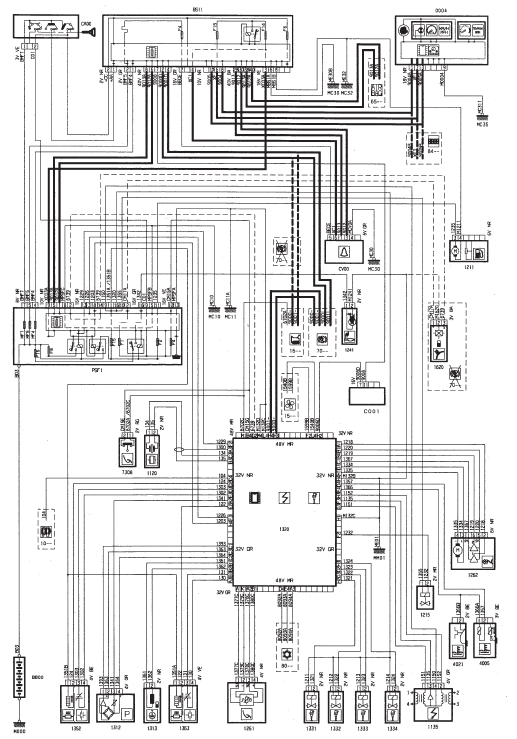
Injection allumage - TU1JP (HFX) Magnetti Marelli MM48P



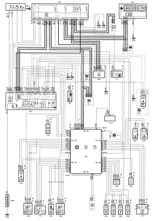
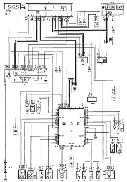
Injection allumage - TU1JP/IFL5 (HFX) Magnetti Marelli MM48P



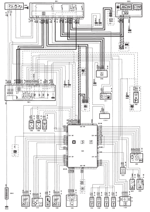
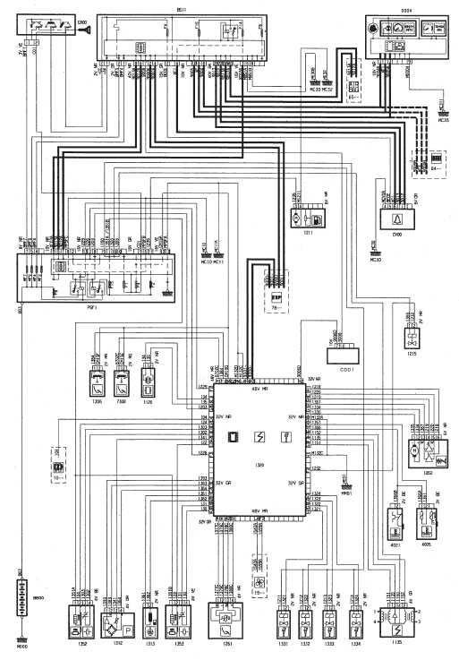
Injection allumage - TU3JP (KFV) Sagem S2000 PM1



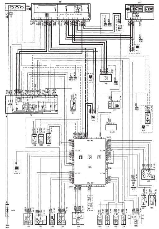
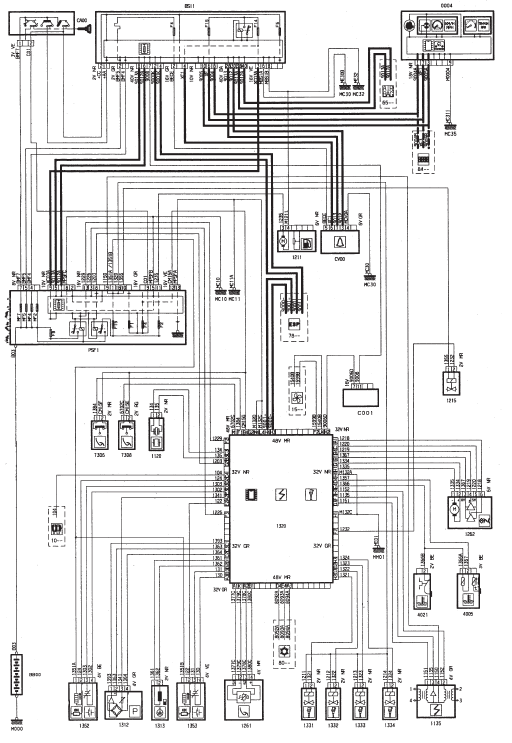
Injection allumage - TU3JP/IFL5 (KFV) Sagem S2000 PM1



Injection allumage - TU3JP/IFL5 (KFV) Sagem S2000 PM1 - avec refrigeration



Injection allumage - TU3JP/IFL5 (KFV) Sagem S2000 PM1 - Boite de vitesses automatique AL4



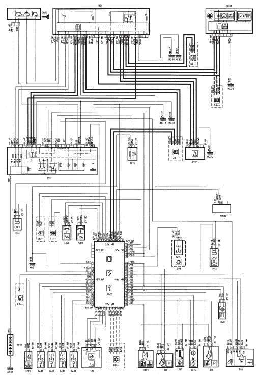
Injection allumage - TU5JP4 (NFU) Bosch ME7.4.4



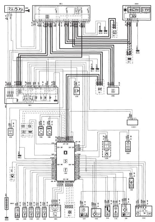
Injection allumage - TU5JP4 (NFU) Bosch ME7.4.4 - avec controle de stabilite



Injection allumage - TU5JP4 (NFU) Bosch ME7.4.4 - avec refrigeration - avec controle de stab



Injection allumage - DV4TED4 (8HY) Delphi C6 - avec refrigeration



Injection allumage - DV4TED4 (8HY) Delphi C6 - avec refrigeration - avec controle de stabilite



Anomalie de fonctionnement
En cas de dysfonctionnement du régulateur, la vitesse s'efface entraînant le
clignotement des tirets. Faites vérifier par le réseau CITROËN ou par un atelier
qualifié.
Lorsque la régulation est en marche, soyez vigilant si vous maintenez appuy&eacut ...
Commandes sous-volant
+. Commande à droite du volant pour augmenter les rapports.
- Appuyez derrière la commande sous-volant "+" pour passer le rapport supérieur.
-. Commande à gauche du volant pour diminuer les rapports.
- Appuyez derrière la commande sou ...
Freins avant
Plaquettes
Depose
Deposer la roue.
Repousser le piston (faire levier en
"a") (Fig.Fre.1).
Surveiller le niveau de liquide de frein.
Deposer la vis (1).
Basculer l'etrier de frein (2) (Fig.Fre.2).
Deposer les plaquettes de frein (3).
Repose
...