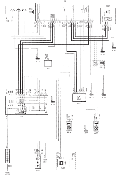
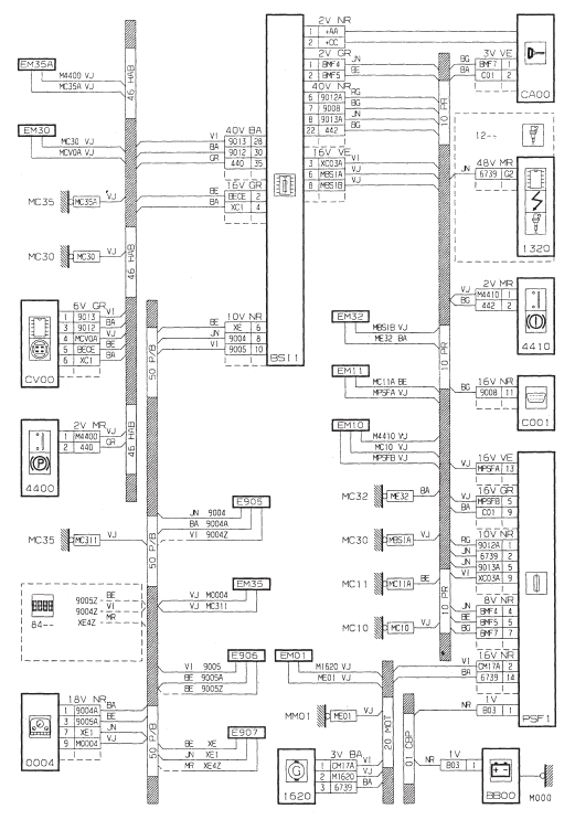
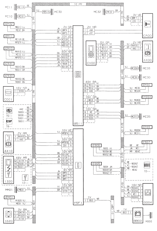
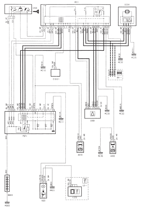
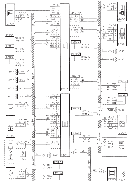
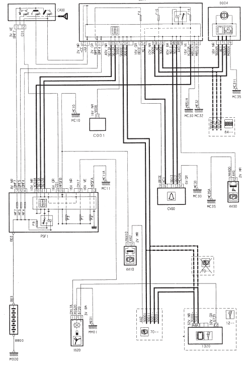
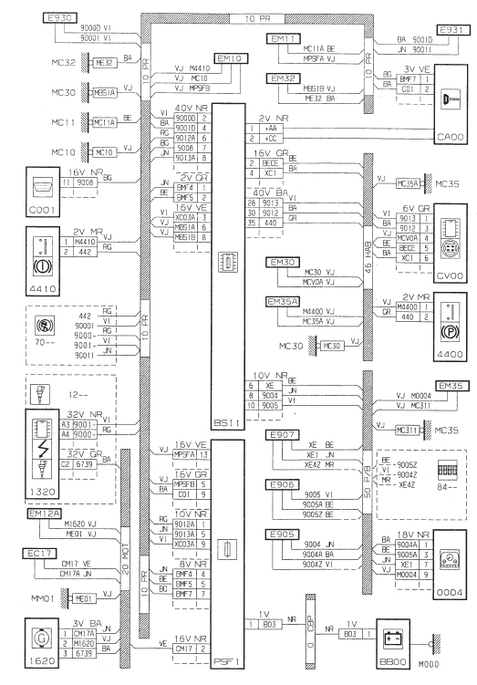
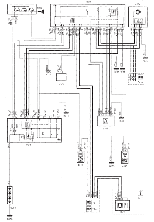
Information freins - essence



Information freins - essence - avec antiblocage de roues ou controle de stabilite



Information freins - DV4TD (8HX)



Information freins - DV4TD (8HX) - avec antiblocage de roues



Information freins - DV4TED4 (8HY)



Voyant de presence eau dans gazole
BruiteurKit de dépannage provisoire de pneumatique
Système complet, composé d'un compresseur et d'une cartouche de produit de colmatage,
qui vous permet une réparation temporaire du pneumatique, afin de vous rendre dans
le garage le plus proche.
Il est prévu pour réparer la plupart des crevaisons susceptibles ...
Couples de serrage (en daN.m)
Supports moteu
TU1JP et TU3JP
TU5JP4
....................................................................................4,5
+- 0,4
....................................................................................6,1
+- 0,6
............ ...
Boîte manuelle 6 vitesses
Passage de la 5 ème ou de la 6ème vitesse
Déplacez complètement le levier de vitesses vers la droite pour bien engager
la 5 ème ou la 6 ème vitesse.
Passage de la marche arrière
Soulevez la bague sous le pommeau et d&eac ...