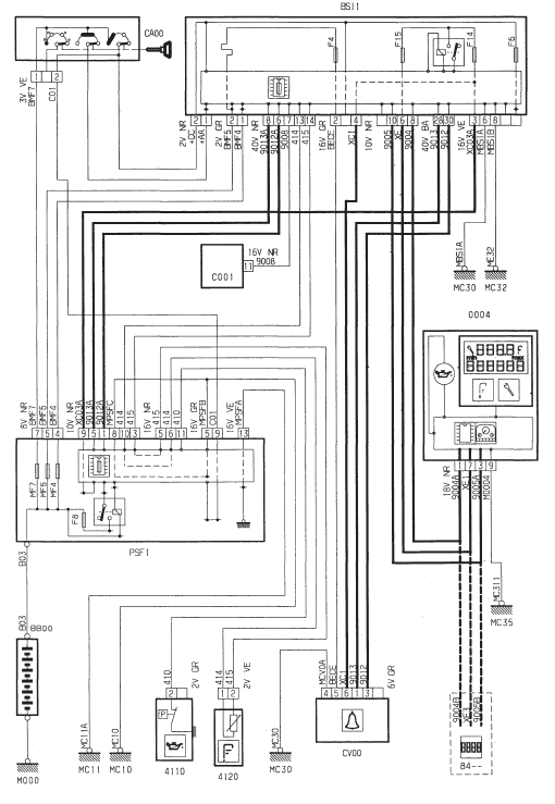
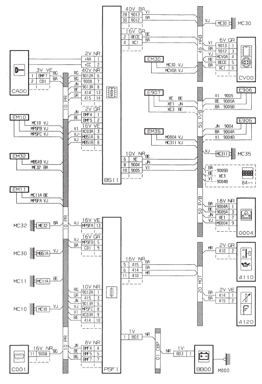
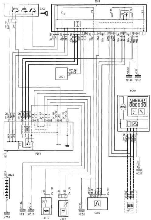
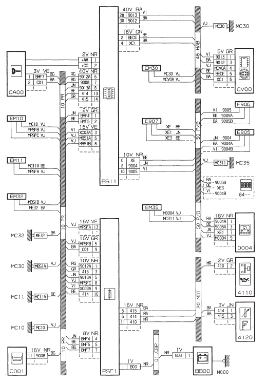
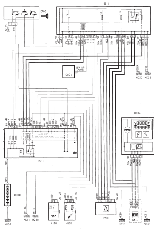
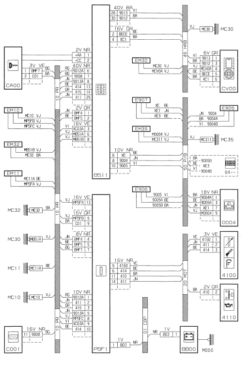
Indicateur temperature + niveau huile moteur - TU1JP (HFX) - TU3JP (KFV)



Indicateur temperature + niveau huile moteur - TU5JP4 (NFU)



Indicateur temperature + niveau huile moteur - Diesel (8HX - 8HY)



BruiteurListe des fiches regla'tech
ALFA
ALFA GTV 2 L
ALFA GTV 6 2,5 L
ALFA 75 1,6 L - 2 L et 2 L Twinspark
ALFA 75 1,8 L Turbo Essence
ALFA 75 3 L V6
ALFA 75 2 L et 2,4 L Turbo Diesel
ALFA 90 2 L Iniezione Essence
ALFA 90 2,4 L Turbo Diesel
ALFA 164 2 L (4 cyl.) Turbo Essence
ALFA 164 V6 24 Soupapes
ALFA 164 V6 Turbo
AUST ...
Caractéristiques techniques
Motorisations et boîtes de vitesses
Masses et charges remorquables (en kg) moteurs essence
* La masse de la remorque freinée peut être, dans la limite du MTRA, augmentée
dans la mesure où l'on réduit d'autant le MTAC du véhicule tracteur ; a ...
Dépassement de la vitesse programmée
Le dépassement volontaire ou non de la vitesse programmée entraîne son clignotement
sur l'afficheur.
Le retour à la vitesse programmée, par décélération volontaire ou non du véhicule,
annule automatiquement le clignotement.
Sortie d ...