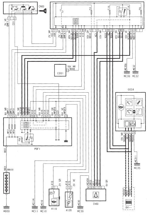
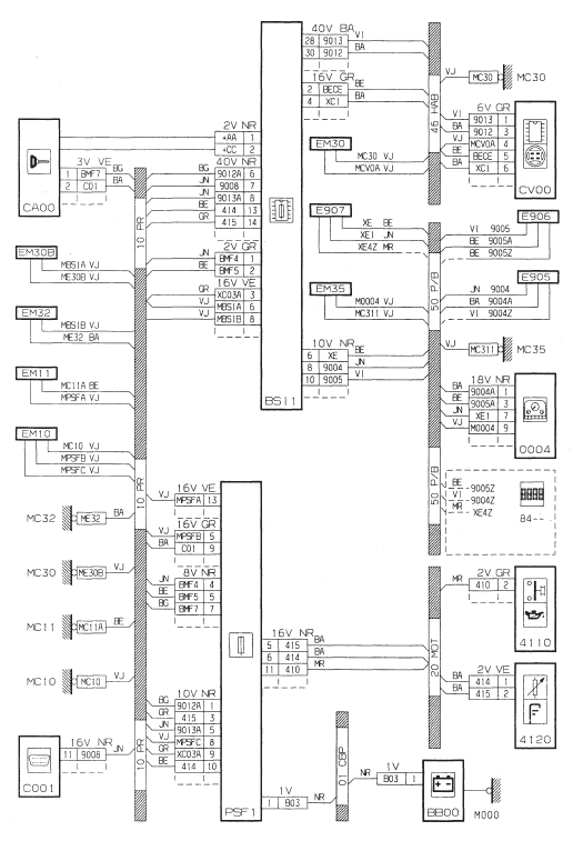
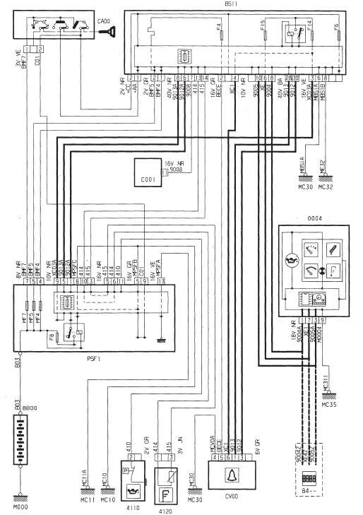
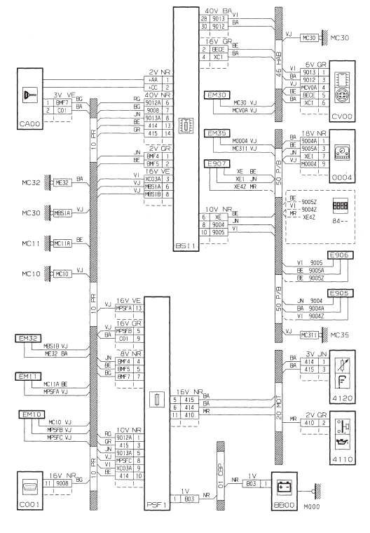
Indicateur temperature + niveau huile moteur - TU1JP (HFX) - TU3JP (KFV)



Indicateur temperature + niveau huile moteur - TU5JP4 (NFU)



Indicateur temperature + niveau huile moteur - DV4TD (8HX) - DV4TED4 (8HY)



Niveau, temperature eau moteur
Jauge a carburantRefroidissement
Circuit de refroidissement
Capacite du circuit (en l)
......................................................5,7
Pressurisation
(bar)..............................................................1,4
30 - echangeur thermique eau/huile.
62 - boite de degazage.
&nbs ...
Combinés essence - diesel boîte manuelle
Panneau regroupant les cadrans et les témoins d'indication de fonctionnement
du véhicule.
Cadrans
Compte-tours.
Indique la vitesse de rotation du moteur (x 1000 tr/min ou rpm).
Vitesse du véhicule.
Indique la vitesse instantanée du v&eacut ...
Biellettes de direction
Depose
Imperatif : L'outil [2] (dispositif antirotation
de cremaillere, ref. 0721B) doit
etre mis en place sur la denture de la
cremaillere, a gauche en direction a
gauche et a droite en direction a droite.
Nota : L'outil [2] evite d'endommager le
mecanisme de direction lors de l'operation
...