 
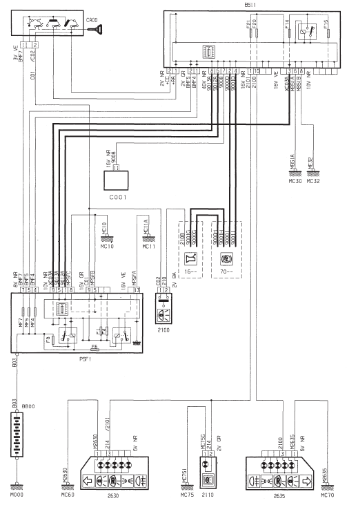
Feux stop TU5JP4 (NFU) - boite de vitesses manuelle pilotee



Feux stop TU5JP4 (NFU) - boite de vitesses manuelle pilotee - avec controle de stabilite



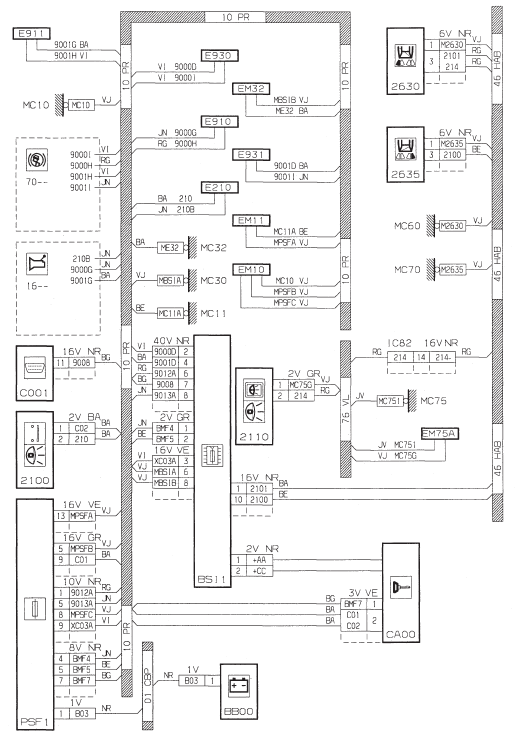
 Boite de vitesses manuelle pilotee TU5JP4 (NFU)
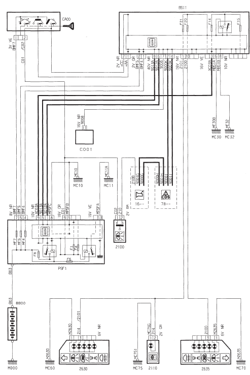
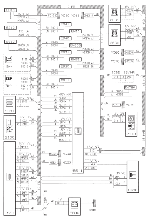
Boite de vitesses manuelle pilotee TU5JP4 (NFU) Groupe aide a la conduite
Groupe aide a la conduiteKit de dépannage provisoire de pneumatique
   Système complet, composé d'un compresseur et d'une cartouche de produit de colmatage, 
qui vous permet une réparation temporaire du pneumatique, afin de vous rendre dans 
le garage le plus proche.
Il est prévu pour réparer la plupart des crevaisons susceptibles  ...
   
Affichage dans le combiné
   
Le mode de conduite sélectionné et/ou le rapport de vitesse engagé apparaissent 
dans l'afficheur du combiné.
P. Parking (Stationnement).
R. Reverse (Marche arrière).
N. Neutral (Point mort).
D. Drive (Conduite automatique).
S. Programme sport .
* Progra ...
   
Combinés essence - diesel boîte manuelle ou manuelle pilotée ou automatique
   
Panneau regroupant les cadrans et les témoins d'indication de fonctionnement 
du véhicule. Selon les versions, ce combiné peut avoir un rétro-éclairage permanent.
Cadrans
	 Compte-tours.
Indique la vitesse de rotation du moteur (x 1000 tr/min ou rp ...