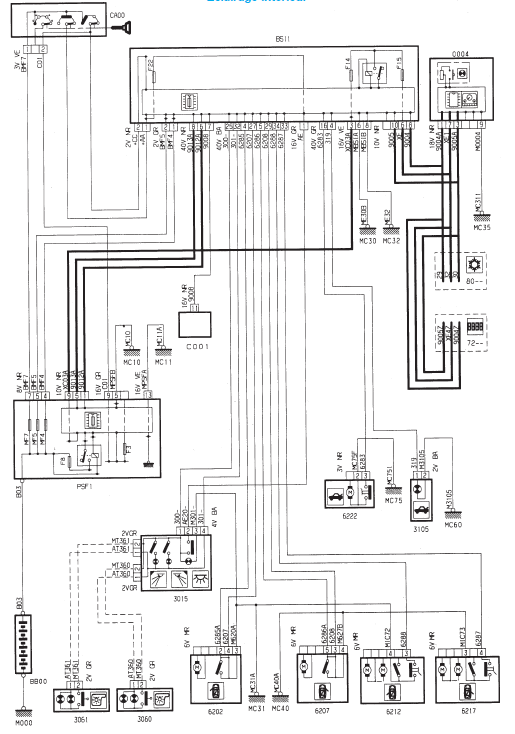
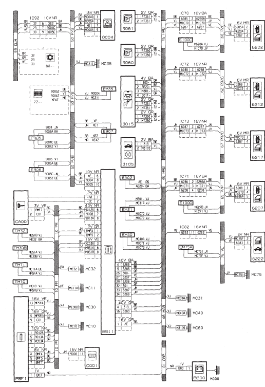
Eclairage interieur



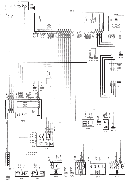
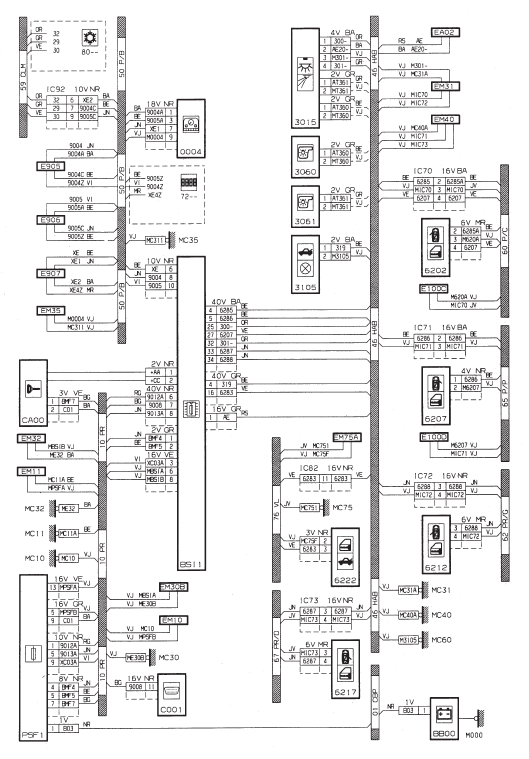
Eclairage interieur - avec PLIP



Elements constitutifs du moteur
Bloc-cylindres
Moteur TU1 et TU3
En aluminium
Hauteur du carter-cylindres (en mm) :
TU1JP
..............................................................187,48 +- 0,05
TU3JP
..............................................................206,98 +- 0,05
...
Consignes de securite
Generalites
Nota : Coussins "airbag" = coussins
gonflables.
En France, les elements pyrotechniques
ne sont pas soumis a la legislation
concernant les poudres et explosifs.
Attention : Les elements pyrotechniques
fonctionnent a l'aide d'allumeurs explosifs.
La manipulat ...
Methodes de reparation
Divers
Operations a effectuer
apres intervention
Imperatif : Toutes ces operations sont a realiser suite a un
rebranchement de batterie.
Fonction antiscanning
Il faut attendre 1 minute apres le rebranchement de la batterie
pour pouvoir redemarrer le vehicule.
Hayon
L ...