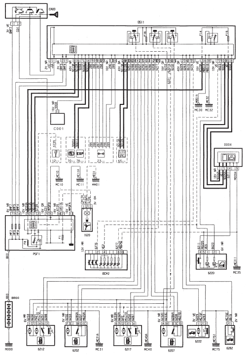
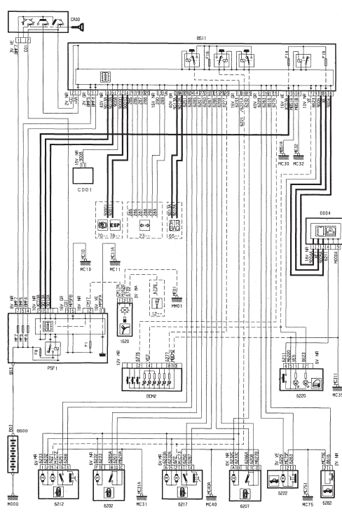
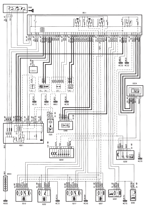
Condamnation centralisee



Condamnation centralisee - DV4TD (8HX)



Condamnation centralisee - avec plip



Condamnation centralisee - DV4TD (8HX) - avec plip



Information ouvrantEmbrayage
Outillage necessaire :
mandrin de centrage embrayage (ref.
9513-T).
Depose
Deposer la boite de vitesses.
Deposer (Fig.Embr.1) :
les vis (1),
le mecanisme d'embrayage (2),
le disque d'embrayage (3).
Controler visuelleme ...
Methodes de reparation
Divers
Operations a effectuer
apres intervention
Imperatif : Toutes ces operations sont a realiser suite a un
rebranchement de batterie.
Fonction antiscanning
Il faut attendre 1 minute apres le rebranchement de la batterie
pour pouvoir redemarrer le vehicule.
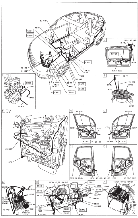
Hayon
L ...
Combinés essence - diesel boîte manuelle ou manuelle pilotée ou automatique
Panneau regroupant les cadrans et les témoins d'indication de fonctionnement
du véhicule. Selon les versions, ce combiné peut avoir un rétro-éclairage permanent.
Cadrans
Compte-tours.
Indique la vitesse de rotation du moteur (x 1000 tr/min ou rp ...