Antiblocage de roues TU5JP4 (NFU) - boite de vitesses manuelle pilotee



Controle de stabilite TU5JP4 (NFU) - boite de vitesses manuelle pilotee



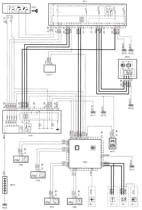
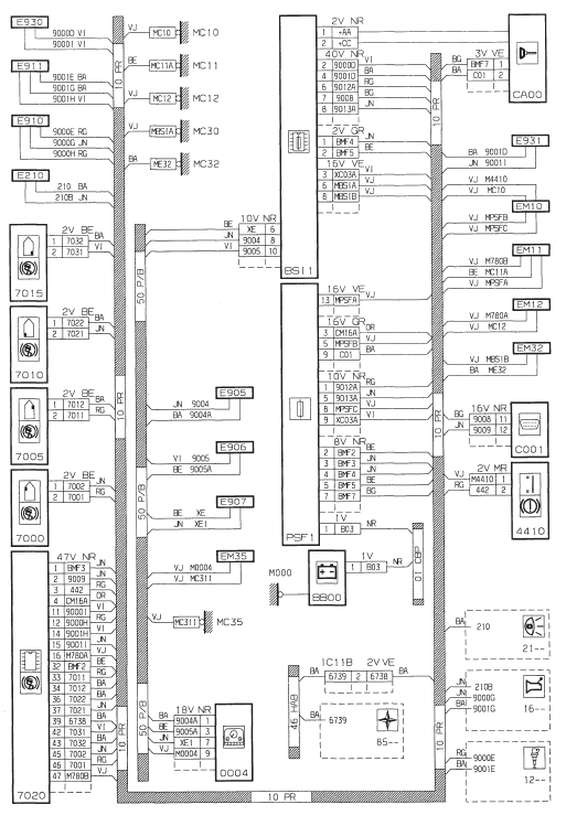
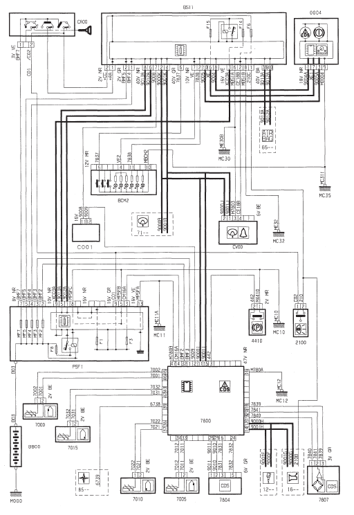
Groupe signalisation - eclairage exterieur
MultiplexageRéglage des projecteurs
Pour ne pas gêner les autres usagers de la route, les projecteurs doivent être
réglés en hauteur, en fonction de la charge du véhicule.
0. Conducteur seul ou conducteur + passager avant.
Réglage intermédiaire.
1. 5 personnes.
&nb ...
Liste des fiches regla'tech
ALFA
ALFA GTV 2 L
ALFA GTV 6 2,5 L
ALFA 75 1,6 L - 2 L et 2 L Twinspark
ALFA 75 1,8 L Turbo Essence
ALFA 75 3 L V6
ALFA 75 2 L et 2,4 L Turbo Diesel
ALFA 90 2 L Iniezione Essence
ALFA 90 2,4 L Turbo Diesel
ALFA 164 2 L (4 cyl.) Turbo Essence
ALFA 164 V6 24 Soupapes
ALFA 164 V6 Turbo
AUST ...
Injection allumage
Injection allumage - TU1JP (HFX) Magnetti Marelli MM48P
Injection allumage - TU1JP (HFX) Magnetti Marelli MM48P - avec
refrigeration
Injection allumage - TU1JP/IFL5 (HFX) Magnetti Marelli MM48P
Injection allumage - TU1JP/IFL5 (HFX) Magnetti Marelli MM48P - av ...