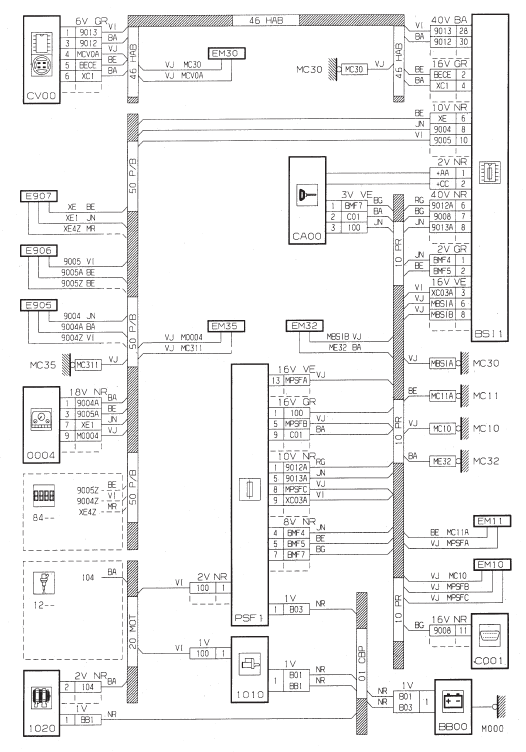
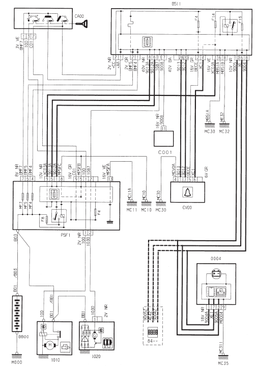
Demarrage - generation de courant - essence



Demarrage - generation de courant - essence - boite de vitesses automatique al4



Demarrage - generation de courant - Diesel



Groupe motopropulseur
Prechauffage allumageListe des fiches regla'tech
ALFA
ALFA GTV 2 L
ALFA GTV 6 2,5 L
ALFA 75 1,6 L - 2 L et 2 L Twinspark
ALFA 75 1,8 L Turbo Essence
ALFA 75 3 L V6
ALFA 75 2 L et 2,4 L Turbo Diesel
ALFA 90 2 L Iniezione Essence
ALFA 90 2,4 L Turbo Diesel
ALFA 164 2 L (4 cyl.) Turbo Essence
ALFA 164 V6 24 Soupapes
ALFA 164 V6 Turbo
AUST ...
Couples de serrage (en daN.m)
Boite MA
Bouchon de niveau
....................................................2,5 +- 0,5
Bouchon de vidange
..................................................2,5 +- 0,5
Contacteur de marche arriere
....................................2,5 +- 0,5
Boite BE ...
Position verticale de l'essuievitre avant
Cette position permet aux balais d'être relevés pour le parking hivernal, d'être
nettoyés ou changés sans abîmer le capot.
Dans la minute qui suit la coupure du contact, toute action sur la commande d'essuie-vitre
positionne les balais à la vert ...