Defaut refrigeration



Defaut refrigeration regulee



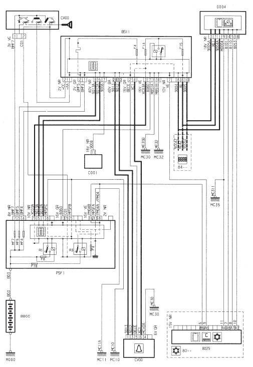
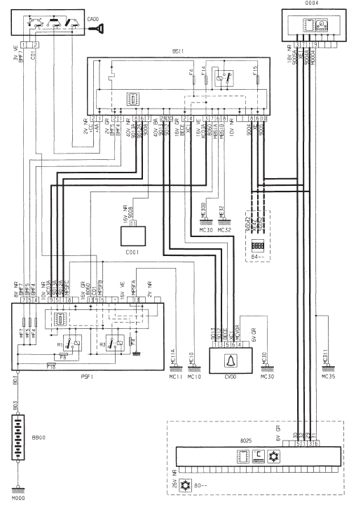
Bruiteur
Information ouvrantKit de dépannage provisoire de pneumatique
Système complet, composé d'un compresseur et d'une cartouche de produit de colmatage,
qui vous permet une réparation temporaire du pneumatique, afin de vous rendre dans
le garage le plus proche.
Il est prévu pour réparer la plupart des crevaisons susceptibles ...
Boite de vitesses
Outillage necessaire :
[2] traverse de soutien moteur (ref.
MOT 300 BS0),
[4] arretoir de volant moteur (ref. 9044-T),
[5] extracteur de rotule (ref. 0338 E),
[6] pige pour accostage (ref. 0338-A),
[7] equerre de maintien de convertisseur
(ref. 0338 S),
[8] bouchon de protection :
[8 ...
Sécurité enfants électrique
Système de commande à distance pour interdire l'ouverture des portes arrière
par leurs commandes intérieures et l'utilisation des lève-vitres électriques arrière.
La commande est située sur la porte conducteur, avec les commandes de lè ...