


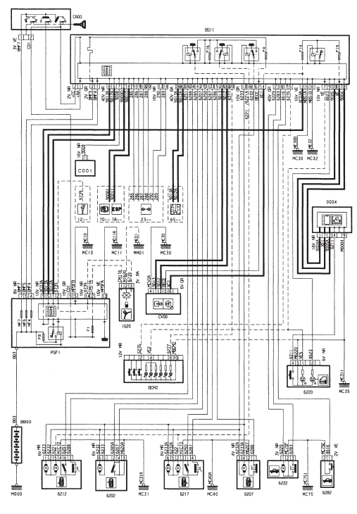
Condamnation centralisee - DV4TD (8HX)



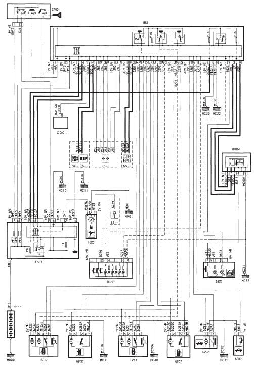
Condamnation centralisee - avec PLIP



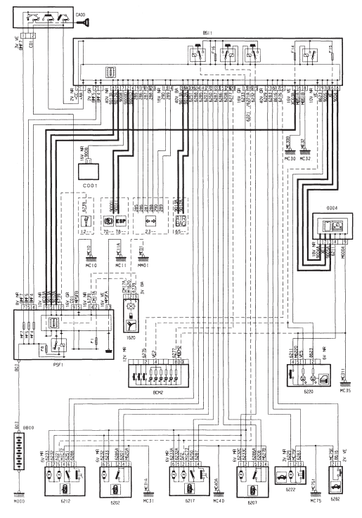
Condamnation centralisee - DV4TD (8HX) - avec PLIP



Leve-vitresCouples de serrage (en daN.m)
Roue
................................................................................9
+- 1
Capteur de roue *
......................................................0,8 +- 0,2
Etrier AV sur pivot *
....................................................10,5 +- 1
Ch ...
Generalites
Precautions
Porter des gants et des lunettes de protection
afin d'eviter tout risque de gelure.
Ne pas manipuler le refrigerant pres d'une
flamme ou d'un corps tres chaud
afin d'eviter tout risque de degagement
des vapeurs toxiques.
Travailler dans u ...
Sièges arrière
Banquette avec assise monobloc fixe et dossier rabattable en partie gauche (2/3)
ou droite (1/3) pour moduler l'espace de chargement du coffre.
Appuis-tête arrière
Ils ont une seule position d'utilisation (haute) et une position de rangement
(basse).
Ils sont également ...