Bruiteur d'oubli d'eclairage



Bruiteur oubli cle



Bruiteur oubli clignotant



Indicateur temperature + niveau huile moteur
Information ouvrantInjection allumage
Injection allumage - TU1JP (HFX) Magnetti Marelli MM48P
Injection allumage - TU1JP/IFL5 (HFX) Magnetti Marelli MM48P
Injection allumage - TU3JP (KFV) Sagem S2000 PM1
Injection allumage - TU3JP/IFL5 (KFV) Sagem S2000 PM1
Injection allumage - TU3JP/I ...
Désembuage - dégivrage avant
Ces sérigraphies sur la façade vous indiquent le positionnement des commandes
pour désembuer ou dégivrer rapidement le pare-brise et les vitres latérales.
Avec le système de chauffage / ventilation
Placez les commandes de température et ...
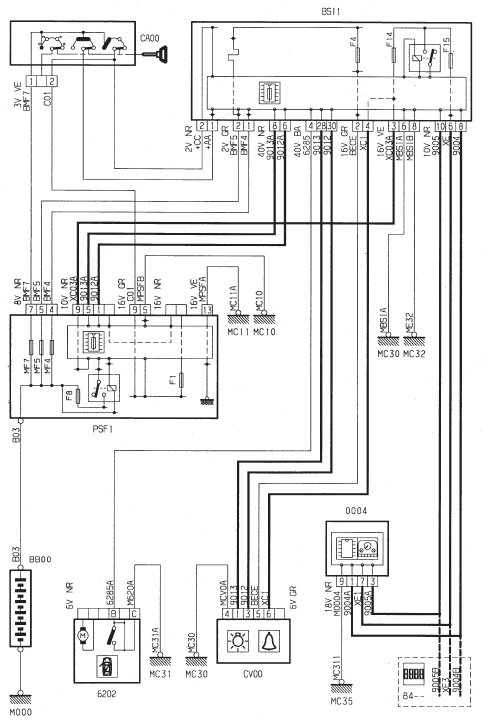
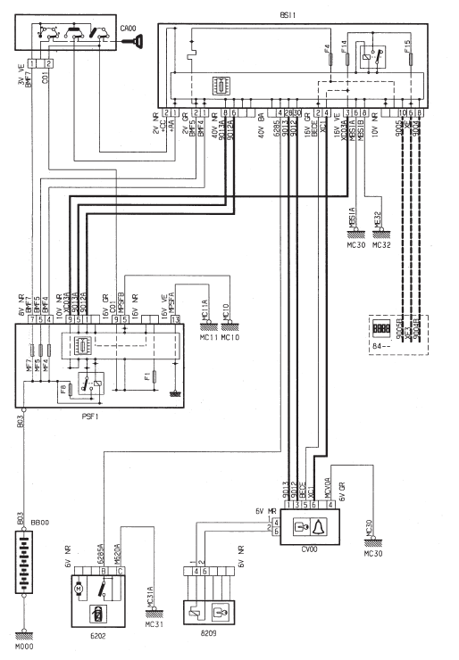
Avertisseur sonore
Système d'alerte sonore pour prévenir les autres usagers de la route d'un danger
imminent.
Appuyez sur l'une des branches du volant.
Utilisez uniquement et modérément l'avertisseur sonore dans les cas suivants
:
danger immédiat,
d&eacut ...