 



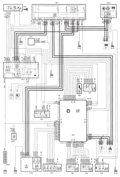
Boite de vitesses manuelle pilotee TU5JP4 (NFU) - avec refrigeration



Boite de vitesses manuelle pilotee TU5JP4 (NFU) - avec refrigeration - avec controle de stabilite



 Injection allumage
Injection allumage Groupe signalisation - eclairage exterieur
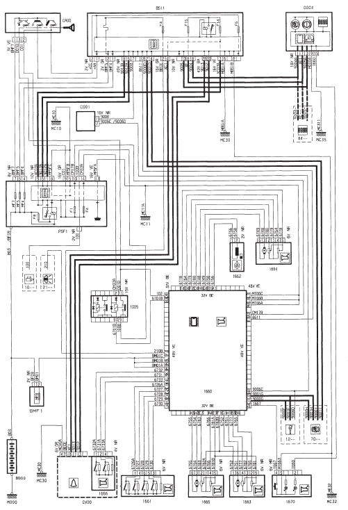
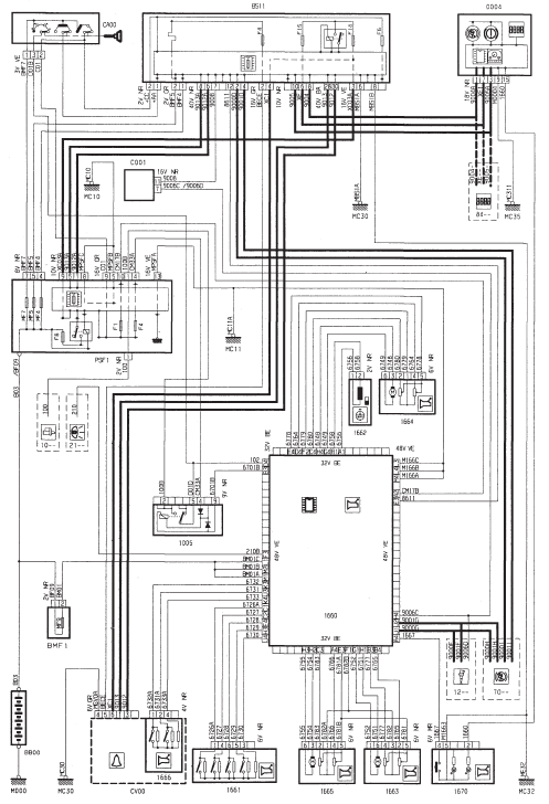
Groupe signalisation - eclairage exterieurDemarrage - generation de courant - essence - boite de vitesses 
automatique AL4
   
 ...
   
Entretien
   Capot moteur
	 Cette operation ne doit se faire que
	vehicule a l'arret.
Ouverture
	Pour deverrouiller, tirez vers vous la commande
	placee sous la planche de bord.
	 Manoeuvrez la palette A situee sous le
	bord et au centre du capot puis levez.
	Bequille de capot ...
   
Démarrage
   
	  Sélectionnez la position N .
	  Appuyez franchement sur la pédale de frein .
	  Démarrez le moteur.
	  Sélectionnez le mode automatisé (position A ) ou le mode manuel (position 
M ) en déplaçant le levier de vitesses 1 , ...