


Refroidissement moteur
Mise au point moteurConseils pour la ventilation et l'air conditionné
Pour que ces systèmes soient pleinement efficaces, respectez les règles d'utilisation
et d'entretien suivantes :
Pour obtenir une répartition d'air homogène, veillez
à ne pas obstruer les grilles d'entrée d'air extérieur situ&eacu ...
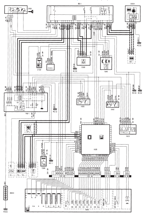
Decoupage de la fonction
en trois schemas
Un schema de principe.
Un schema de cablage.
Un schema d'implantation.
Constitution des schemas
Schema de principe :
alimentations (+ et -),
appareils (avec reperes, symboles de
fonction et details internes electromecaniques,
hors electro ...
Indicateur de maintenance
Il vous informe de l'echeance de la prochaine revision a effectuer
conformement au plan d'entretien du carnet d'entretien.
Fonctionnement
Des la mise du contact, apres l'affichage du niveau d'huile, la
cle symbolisant les operations de maintenance s'allume : l'afficheur
du totalisate ...