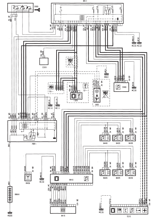
Autoradio - avec compact disque - TU1JP (HFX) - TU3JP (KFV)



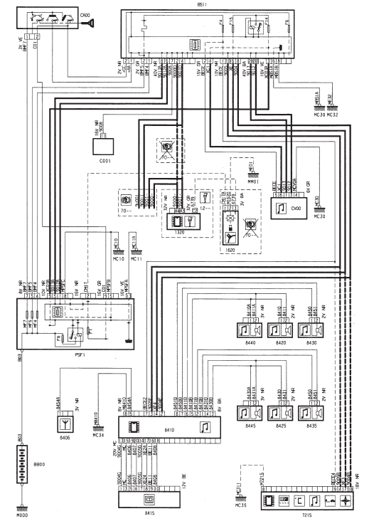
Autoradio - avec compact disque - DV4TD (8HX)



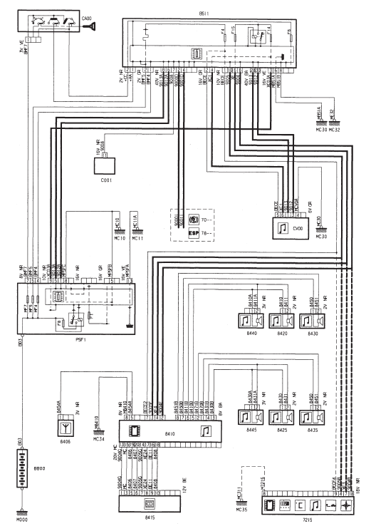
Autoradio - avec compact disque - TU5JP4 (NFU) - DV4TED4 (8HY)



Systeme aide a la navigationAvertisseur sonore
Système d'alerte sonore pour prévenir les autres usagers de la route d'un danger
imminent.
Appuyez sur l'une des branches du volant.
Utilisez uniquement et modérément l'avertisseur sonore dans les cas suivants
:
danger immédiat,
d&eacut ...
Indicateur de maintenance
Il vous informe de l'echeance de la prochaine revision a effectuer
conformement au plan d'entretien du carnet d'entretien.
Fonctionnement
Des la mise du contact, apres l'affichage du niveau d'huile, la
cle symbolisant les operations de maintenance s'allume : l'afficheur
du totalisate ...
Prise jack
La prise JACK est située dans le boîtier "AUX" sur la console centrale.
Elle vous permet de brancher un équipement nomade, tel qu'un baladeur numérique
de type iPod , pour écouter vos fichiers audio via les haut-parleurs du véhicule.
La gestion des fic ...