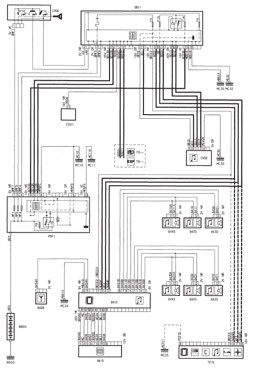
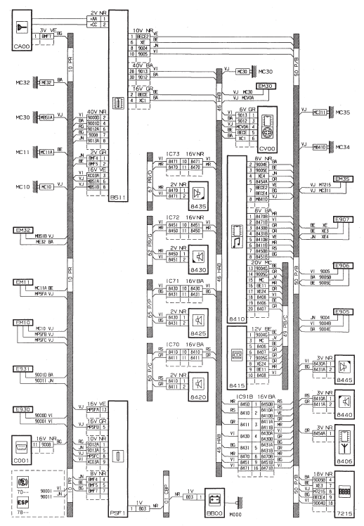
Autoradio - avec compact disque TU1JP (HFX) - TU3JP (KFV)



Autoradio - avec compact disque DV4TD (8HX)



Autoradio - avec compact disque TU5JP4 (NFU) - DV4TED4 (8HY)



Systeme aide a la navigationGeneralites
Moteur quatre temps, quatre cylindres, monte transversalement
au-dessus de l'essieu avant en position verticale.
Culasse en alliage leger.
Distribution assuree par un arbre a cames en tete et culbuteurs
a rouleaux sur les moteurs a 8 soupapes ou par deux arbres a
cames e ...
Indicateur de changement de rapport *
Système permettant de réduire la consommation de carburant en préconisant un
changement de rapport supérieur sur les véhicules équipés de boîte de vitesses manuelle.
Fonctionnement
Le système n'intervient que dans le cadre d'une condu ...
Caracteristiques
Generalites
Train arriere a traverse deformable et amortisseurs hydrauliques.
Suspension
Diametre de la barre antidevers (mm)
..............................25,5
Couples de serrage (en daN.m)
Vis de fixation du train arriere......................................10
+- ...