


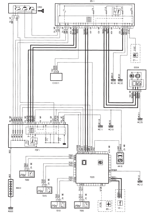
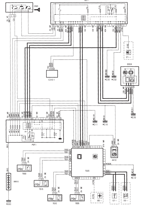
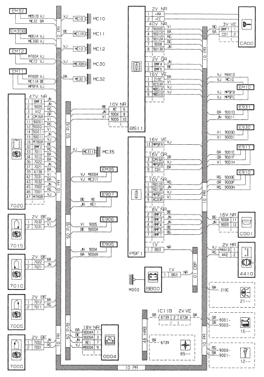
Antiblocage de roues - Boite de vitesses automatique AL4



Direction assisteeCouples de serrage (en daN.m)
Culasse :
preserrage
............................................................................2
serrage..................................................................................4
serrage angulaire
....................................................... ...
Sièges arrière
Banquette avec assise monobloc fixe et dossier rabattable en partie gauche (2/3)
ou droite (1/3) pour moduler l'espace de chargement du coffre.
Appuis-tête arrière
Ils ont une seule position d'utilisation (haute) et une position de rangement
(basse).
Ils sont également ...
Arrêt du véhicule
Avant de couper le moteur, vous pouvez passer en position P ou N pour être au
point mort.
Dans les deux cas, serrez le frein de stationnement pour immobiliser le véhicule.
Si le levier n'est pas en position P , à l'ouverture de la porte conducteur
ou 45 secondes environ apr ...