


Antiblocage de roues - boite de vitesses automatique AL4



Montre numeriqueGeneralites
4 cylindres en ligne, suralimentation par turbocompresseur a
geometrie fixe sans echangeur pour le moteur 1,4 8V.
4 cylindres en ligne, suralimentation par turbocompresseur a
geometrie variable avec echangeur thermique pour le moteur
1,4 16V.
Systeme d'admission d'air in ...
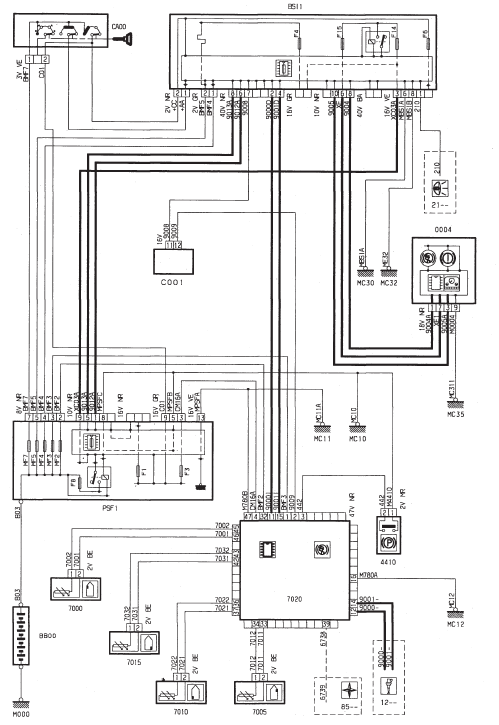
Indicateur de maintenance
Il vous informe de l'echeance de la prochaine revision a effectuer
conformement au plan d'entretien du carnet d'entretien.
Fonctionnement
Des la mise du contact, apres l'affichage du niveau d'huile, la
cle symbolisant les operations de maintenance s'allume : l'afficheur
du totalisate ...
Elements constitutifs du moteur
Bloc-cylindres
Moteur TU1 et TU3
En aluminium
Hauteur du carter-cylindres (en mm) :
TU1JP
..............................................................187,48 +- 0,05
TU3JP
..............................................................206,98 +- 0,05
...