


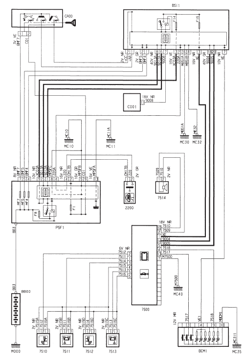
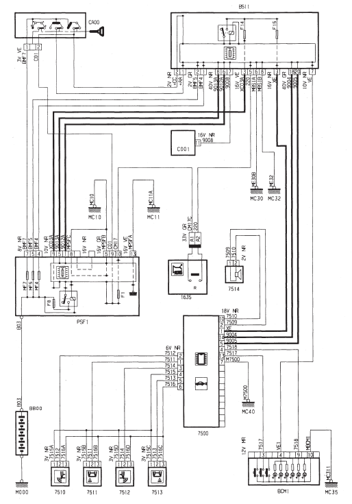
Aide au stationnement - boite de vitesses automatique AL4



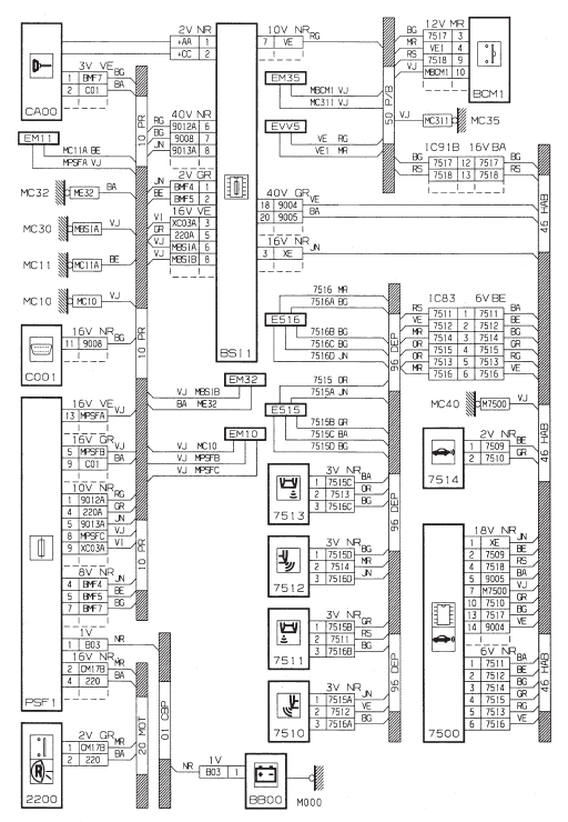
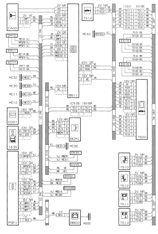
Regulation de vitesseBoite de vitesses
Outillage necessaire :
[2] traverse de soutien moteur (ref.
MOT 300 BS0),
[4] arretoir de volant moteur (ref. 9044-T),
[5] extracteur de rotule (ref. 0338 E),
[6] pige pour accostage (ref. 0338-A),
[7] equerre de maintien de convertisseur
(ref. 0338 S),
[8] bouchon de protection :
[8 ...
Votre notice d'emploi sur internet
Citroën vous permet de consulter gratuitement et simplement votre documentation
de bord en ligne, d'accéder à l'historique et aux dernières informations.
Nous attirons votre attention...
Votre véhicule reprend une partie des équipements décrits dans ...
Couples de serrage (en daN.m)
Roue
................................................................................9
+- 1
Capteur de roue *
......................................................0,8 +- 0,2
Etrier AV sur pivot *
....................................................10,5 +- 1
Ch ...